Tips for the use of Automatic ATUs
Many modern HF transceivers and linear amplifiers have a built-in automatic ATU and several manufacturers offer stand-alone units. The tuning range of most of these is limited, typically to 3 : 1. They have been designed to keep the SWR seen by the output stage down, typically below 1.5 : 1 over an entire band, while using an antenna optimized for the band centre.
APPLICATION
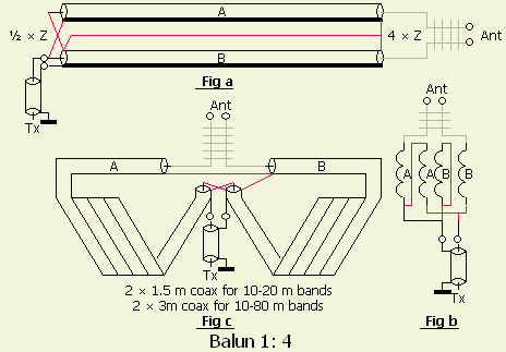
Any antenna can be tuned to have a low SWR at a mid-band frequency by means of a primary or pre-match tuner (fig») installed close to the antenna feed-point. A coax cable connects it to the automatic ATU in the shack. This prematch tuner can be simple and consist of an inductor with taps and switch-selectable capacitors. If each band always uses the same antenna, the pre-tuner needs to be set up only once and then can be bandswitched with a stepping switch or relays from the shack. Fig a (upper), with the capacitor on the antenna side of the coil, applies if the antenna feedpoint impedance is greater than 50 Ω, and fig a (lower) if less than 50 Ω.
|
|
Sometimes it is possible to bring an antenna within the tuning range of the automatic ATU with a 1 : 4 or 1 : 9 air-core impedance transformer or, fig b (upper). An aircore transformer (lower) is better than one with a ferrite core as the latter may saturate because of the reactive load at some frequencies. Likewise, a 1 : 4 transformer configured as a balun fig b (lower), can be used with a balanced feeder, e.g. open line or ribbon. |
||
|
Aircore 1 : 4 balun (50 Ω coax) |
=› |
|
|
Occasionally an even simpler transformer will work if the number of primary and secondary turns is experimentally established. The primary, wound over the earthy end of the secondary, should have an inductance of:
|
5 µH |
160 m |
|
2.5 µH |
80 m |
|
125 nH |
30, 40 m |
|
625 nH |
15, 17, 20 m |
|
312.5 nH |
12, 10 m |
![]()