EEN EFFICIËNTE 2C+L SYMMETRISCHE ATU
19-may-2023
Eng version in progress
![]() |
![]() |
INLEIDING
Het rendement van een antennetuner (ATU) is optimaal als deze bestaat uit één spoel en één condensator.
De schema's (fig») laten twee efficiënte symmetrische antenne tuners zien. In de onderste tekening staan beide condensatoren via de balun in serie. Zij zouden eventueel vervangen kunnen worden door één condensator, met een twee maal zo grote capaciteit, maar dat verstoort de symmetrie. Met de twee rolspoelen kan dezelfde redenatie toegepast worden. Het 2C-L systeem kan dus beschouwd als een tuner met één spoel en één condensator.
Merk op dat beide variabele condensatoren mechanisch gekoppeld, maar verder elektrisch van elkaar gescheiden zijn.
In het linkse schema transformeert de tuner 50 Ω naar een hogere impedantie en in het middelste schema kan men een antennesysteem aanpassen dat een lagere impedantie heeft dan 50 Ω. Twee aparte ATU's zijn onhandig en met een dubbelpolige schakelaar volgens het rechtse schema worden beide systemen in één apparaat verenigd.
Over het algemeen zijn ongeveer 2 × 500 pF en 25 – 35 µH voor een allband tuner al voldoende. Heeft u een dipool met openlijn dan is het goed mogelijk dat u met de aangeven waarden uw systeem kan aanpassen op alle HF banden van 10 t/m 80 m. Er is zelfs grote kans dat het al met linkse model gaat, want meestal is de impedantie aan het begin van een symmetrische voedingslijn meer dan 50 Ω.

U ziet dat met een 2×C+L systeem bij het aanpassen van lage impedanties minder capiciteit nodg is dan met een 2×L+C ATU. Bovendien is het over het algemeen gemakkelijker om twee gelijke variabele condensators te verkrigen dan twee identieke rolspoelen.
.
VERGELIJKING ATU's
Hoewel beide modellen evengoed zijn, gaat mijn voorkeur uit naar 2C-L (zie ook Balanced tuners.). Volgens mijn Klasse-indeling sym. ATU's is het een van de beste in zijn soort en in dit artikel wordt dat tyepe behandeld. Daarmee heeft u een tuner die veel aan kan passen en gemonteerd kan worden in een kast met twee of drie knoppen in de frontplaat. Het verschil met type 2L-C is eigenlijk een praktisch probleem. Twee gelijke rolspoelen zijn meestal mechanisch moeilijker te koppelen dan twee condensatoren. Verder is het tegenwoordig een toer om twee identieke rolspoelen voor een redelijke prijs te verwerven. Nog een voordeel is:
|
Antenne tuners met het beste rendement |
Voor ongeveer hetzelfde vermogen kan met 2C-L (A3) volstaan worden met condensatoren die de halve platenafstand hebben ten opzichte van de condensator bij 2L-C (A2). Zij staan feitelijk in serie en een spanning die in (fig») A2 over de condensator staat is in A3 verdeeld over twee condensatoren. Om kort samen te vatten: in A2 moet één (dure) condensator met grote afstand tussen de platen en in A3 kunnen twee (goedkopere) condensatoren met een kleinere afstand tussen de platen.
SCHAKELING
|
|
|

Met enige handigheid is deze tuner zelf te maken. Het ziet er complex uit («fig). Wellicht is het bij uw (permanente) antenne systeem niet nodig om 5 × 400 pF in te schakelen en kunt u een aantal vaste capaciteiten weglaten.
Mijn praktische uitvoering is gebouwd in een beschikbare maar eigenlijk te kleine kast. Er was op de frontplaat geen plaats voor het omschakelen van de variabele condensatoren. Daarom zit een schakelaar voor omhoog of omlaag transformeren aan de achterkant, op de foto linksonder. In de praktijk is deze schakelaar niet zo vaak nodig want meestal is de aan te passen impedantie groter dan 50 Ω.
De twee 400 pF/1500 V variabele condensatoren zijn gekoppeld met kunststof tandwielen die gesloopt werden uit stappen schakelaars van oude telefooncentrales.
Voor het steeds parallel erbij schakelen van 400 pF zijn oude bruine blokcondensatoren (fig») uit (ex US army) tuning units gebruikt. Zij worden nog regelmatig voor een redelijke prijs aangeboden op vlooienmarkten.
Een tweedekken schakelaar met een halve maan kortsluit segment zorgt ervoor dat alle bijgeschakelde vaste capaciteiten van 400 pF parallel komen te staan zodat maximaal 2000 pF extra ter beschikking staat. De lange kuststof verleng as is op een van de vorige foto's te zien.
Ik weet niet hoe u het doet, maar hier wordt alles gemaakt van componenten die zo goedkoop mogelijk op rommelmarkten vergaard worden. Het nadeel is dat je bouwsel er nooit gaat uitzien zoals je dat graag zou wensen, omdat je beperkt wordt door het uiterlijk, vorm en grootte van je verzamelde spullen.
Zo is het ook met het tellersysteem («fig) van de rolspoel gegaan. In de vorige eeuw bood Kent Electronics eens voor een gering bedrag een doos vol met tandwielen uit oude militair apparatuur aan. Dat werd meteen gekocht want je weet maar nooit wanneer dat van pas komt. Door het gewicht waren de verzendkosten hoger dan de aankoopprijs. Jarenlang bleven de tandwielen in de doos omdat er geen emplooi voor was. Ten slotte bleek het met enige aanpassingen mogelijk om een redelijk uitziend tellersysteem samen te stellen met een paar ijzerwaren uit de doos van Pandorra.
VARIABELE CONDENSATOR
Belangrijk is een kleine minimum capaciteit van de variabele condensatoren vandaar dat in dit ontwerp 400 pF typen werden geplaatst. Een grotere capaciteit heeft ook een grotere minimum waarde als de platen geheel uitgedraaid zijn. Dat kan net teveel zijn om goed op de 10 en 12 m banden af te stemmen. De keuze wordt dus een compromis en men ontkomt meestal niet aan het inschakelen van vaste condensatoren parallel.
Wenst u een symmetrische antennetuner die vrijwel alles kan aanpassen van 10 t/m 160 m, dan is het beter om meer capaciteit ter beschikking te hebben. Bij een horizontaal raam van 4 × 40 m gevoed met open lijn, was het op de 160 m band zelfs nodig om 2 × 2400 pF erbij te schakelen om het geheel in resonantie te krijgen. De mooiste toepassing zijn twee vacuüm condensatoren van voldoende hoge capaciteit (fig»). Dat is een kostbare methode en het koppelen van zulke typen is ook niet gemakkelijk. Het bereik van minimum naar maximum capaciteit is veel groter dan dat van een gewone condensator met platen zodat er minder parallelcapaciteit geschakeld hoeft te worden.
ROLSPOEL
De rolspoel lijkt te groot maar is wel op zijn plaats omdat met een te korte antenne er veel vermogen in de tuner achterblijft. Zelfs met 400 W kan zo'n spoel heet worden en de windingen werken dan zelfkoelend. Verder zijn de elektrische verliezen van deze rolspoelen met platte windingen erg klein.
RENDEMENT
Deze ATU is de beste die hier tot nu toe gemaakt is en de meetopstelling (fig») geeft een idee van het rendement. Het is geen toonaangevende test maar is wel geschikt om een indruk te geven over verliezen die er kunnen ontstaan. De uitgang van de ATU werd belast met 200 Ω of 300 Ω. Dat ging door een 4 : 1 of 6 : 1 balun aan te sluiten op een dummy load. Als de zender 105 W gaf kwam er 100 W in de 50 Ω kunstweerstand. Er ging in totaal maar 5 W verloren door verliezen in twee baluns en tuner. Een rendement van 95% en dat is niet mis. Veel ingebouwde tuners in de huidige transceivers hebben bij dezelfde proef een rendement van maar 85 – 90 %! Vooral op 160 m kan dat nog slechter zijn.
In plaats van een 1 : 1 balun treft men in ontwerpen ook andere verhoudingen aan. Hier werd uitgebreid geëxperimenteerd met 1 : 4, 4 : 1, 1 : 1.5, 1.5 : 1, 1 : 1.2 en 1.2 : 1. Slechts in enkele gevallen waren die verhoudingen qua rendement iets beter, maar dan was er een veel grotere of juist zeer kleine afstemcapaciteit nodig. Voor een "all round" ATU mag ik u adviseren om een 1 : 1 balun te plaatsen.
EEN TUNER MET NOG BETERE COMPONENTEN
Bij de tot nu toe beschreven antennetuner is de afstand tussen de platen van de variabele condensatoren vrij klein. Omdat mijn dipool antenne voor 160 m maar ongeveer 34 m lang is, moet de tuner nogal veel doen bij het aanpassen op die band. De spanning over de condensatoren kan, als niet goed afgestemd wordt voor SWR = 1, met 400 W zo hoog zijn dat er (alleen op 160 m) vonkoverslag plaats vindt. Daarom werd eraan gedacht om nog iets beters te bouwen met twee gelijke vacuüm c's van 10–1500 pF. Deze componenten lagen al lang te wachten om in een antennetuner gebouwd te worden. Het probleem was het vinden of maken van een koppeling om beide tegelijkertijd te verdraaien. Eerst was het plan om een systeem te construeren met een getande riem met passende tandwielen. Zij waren gezien in een Conrad catalogus.
Maar een advertentie op eBay bracht mij op een ander idee. Er werd een pakket kunststof tandwielen met verschillende diameter aangeschaft. Dat was goedkoop en de moeite waard om een eventuele mislukking te riskeren. Met drie even grote tandwielen (fig») werd een goed resultaat behaald door met een draaibankje een askoppeling te draaien van een met glasvezel versterkte epoxy staaf. Dat werd vervolgens met sterke 2-componenten-lijm aan een tandwiel bevestigd. Ook werd in een later stadium op een tandwiel een verlengas gelijmd om een knop met een tellersysteem aan te drijven. Door passen, meten en schuiven van de componenten was gelukkig één van mijn vele 2dehands apparaatkasten geschikt om alles te herbergen. Zo'n kast moest wel stevig zijn want alleen al met de zware rolspoel en vacuüm c's woog het al 10.5 kg.
![]() |
![]() |
![]() Kiezen voor riem of tandwielaandrijving |
|
Aan de ingang kan men het beste een mantelstroomfilter (choke balun) aanbrengen. Het onderdrukt storing dat via de antenne naar de ontvanger binnen komt. Verder is het mogelijk dat de ATU dan ook op 50 en 70 MHz een antenne kan afstemmen. Bij mij werkt het ook op die banden. De balun is gemaakt met een FT240-43 ringkern met 10 windingen Teflon (PTFE) 50 Ohm coaxkabel.

Met een paar schroeven tijdelijk in elkaar gezet om te controleren of alles wel past en soepel draait.
Wat u ziet weegt 11 kg. Ergens in het midden komen waarschijnlijk nog een paar schakelaars en/of een meter,
maar dat is nog niet zeker. Tenslotte moet alles nog netjes gemonteerd en daarna met een laklaag afgewerkt worden.
De twee knoppen zijn afkomstig uit een rommelbak op de vlooienmarkt in Rosmalen. Zij warern goedkoop maar zagen er niet uit. Na een grondige opknapbeurt werden zijn ze bijna "als nieuw". Jammer genoeg was het gat voor de as 10 mm Ø terwijl de as van de teller maar 6.3 mm Ø is. Met twee busjes werd het een en ander passend gemaakt. De tellers werden jaren eerder op dezelfde vlooienmarkt gezien in WO II antennetuner. Daarom werd het apparaat met inwendig twee rolspoelen en een condensator gekocht voor de tellers. Dat was uiteindelijk goedkoper dan het bestellen van nieuwe gelijkwaardige tellers.

Test met de voornaamste componenten al op de juiste plaats gemonteerd.
Er werden brede aluminium strips als "montage draad" gemonteerd.
De schakelaar (SW1) is er om de spoel naar links of rechts (zie schema's) te schakelen.
De andere schakelaar ( SW2) volgtnog.
Trespa (frontplaat van de vacuüm c's) is geen goede HF isolator, maar wordt hier zonder probleem gebruikt aan de 50 Ohm kant van de schakeling met een lage HF spanning (test eens een stukje Trespa in een magnetron samen met een glas water!). Mijn antenne is te kort voor de 160 m band en als ik als test de tuner belast met ongeveer 1 kW, worden de strippen zelfs lauw warm. Dat is een indicatie hoeveel er bij een te korte antenne aan vermogen er in een ATU omgezet kan worden, een aspect dat vaak in ontwerpen en ook in advertenties vergeten wordt.
Als dezelfde test gedaan zou worden met de grotere tuners van Palstar, MFJ en DAIWA, dan zouden de spoelen («fig) of rolspoelen daarin het niet lang volhouden. Als proef heb ik volgens figuur 1. een spoel van 4 µH met 2.5 mm² blank installatie draad gemaakt om op 160 m de rolspoel te verlengen. Na een 1 kW draaggolf van ongeveer 2 minuten werd de spoel zo heet dat het met goed fatsoen niet meer vastgepakt kon worden. De draad was dikker dan dat van de keramische spoel in de tuner hiernaast.
METALEN KAST
|
Als een ATU niet zou stralen, waarom brandt de TL buis dan? |
U kunt er anders over denken, maar naar mijn mening behoort een tuner in een metalen kast. Een lineaire HF versterker zit ook in een goed afgeschermde metalen kast om onder andere straling te voorkomen. In de versterker wordt de impedantie van het apparaat met een filter naar 50 Ohm getransformeerd. Vervolgens wordt dat weer in een tuner aangepast aan impedantie van een antenne systeem, maar bij velen onder ons gebeurt dat in een open of doorkijk kast. Dat de ATU behoorlijk straalt is aan het oplichten van de TL buis te zien.
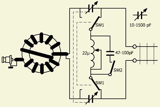
Om een diepe kast te vermijden, gebruik ik een korte rolspoel met voor sommige antennes net te weinig zelfinductie. Met een schakelaar kan een extra spoel in serie (fig.1) of een extra condensator (fig.2) parallel aan de rolspoel geschakeld worden. De laatste methode vermindert het rendement maar neemt weinig plaats in. Laat alles weg als uw rolspoel voldoende bereik heeft voor uw antennesysteem. Voor de zekerheid kan de capaciteit van beide vacuüm condensatoren vergroot worden met (SW1) een tweede schakelaar.
Bij een test met alle componenten in de open kast bleek dat deze tuner net zo goed was als de ATU in het begin van dit artikel. Maar dat zegt nog niets want een compleet afgebouwde tuner in metalen kast kan qua rendement nog beter maar ook slechter zijn. Hoewel met mijn huidige antenne beide variabele condensatoren en rolspoel in staat zijn om het systeem af te stemmen op alle HF banden, worden om het geheel universeel te houden, de componenten rond de schakelaars SW1 en SW2 ook aangebracht.
.jpg)
BALUN/TRAFO 50 Ω ÷ 22 Ω

Met iets minder rendement kan men genoegen nemen met een 50 ÷ 22 Ω systeem. Het komt niet zo vaak voor dat een antennesysteem aangepast moet worden waarvan de impedantie gelijk of kleiner is dan 22 Ω. Men hoeft dan de condensators niet om te schakelen.
|
|
|
Met een verkregen FT240-61 ringkern werd als proef (fig») gewoon zwart installatie draad aangebracht met 12 primaire en 8 secundaire windingen. Zelfs met 800 W uitgangsvermogen werd het ferriet niet warm. Ook met een paar (fig») ferrietstaven is het mogelijk om een dergelijke balun of HF transformator te maken.
PAØLL's en PAØWMR's ATU's
PAØLL (SK) heeft jaren geleden in Electron een tuner type 2L+C («fig) beschreven: een antennetuner met twee mechanisch gekoppelde rolspoelen en één variabele condensator. Hij maakt zijn ATU's ook op bestelling. Ook met deze ATU is de eerder vermelde balun met («fig) dezelfde voordelen toe te passen.
Voor het afvoeren van statische lading kan men naar wens een smoorspoel aanbrengen tussen het midden van de secundaire windingen en massa of aarde.
Er is mij meermaals gevraagd wat ik van PAØLL's antenne tuners vind. Uit mijn testen Klasse indeling sym ATU's is gebleken dat het rendement van beide systemen 2C+L en 2L+C evengoed zijn en zij worden bij mij ook door elkaar heen gebruikt. Het maakt dus niets uit welke van de twee u in elkaar zet, want dat hangt grotendeels af wat u wenst, de componenten die u vergaren kunt en uw handigheid om twee rolspoelen of twee condensatoren te koppelen.
|
Één van PAØLL's (SK) vele mooi gebouwde ATU's (meestal op besteling te leveren) .
PAØWMR maakte deze mooie tuners met LCD displays aan de voorkant. |

PE1FRW maakt alles zelf, de rolspoelen, variabele condensatoren en de antenne tuner.
De tijdelijke ATU op een plank krijgt nog een definitieve vorm.
Bij het oplossen van mechanische problemen met de rolspoel heeft PA3ACJ een handje geholpen.


PE1FRW's SWR/PWR meetsysteem lijkt erg veel op wat hier ook diverse keren gemaakt werd.
De zelfgemaakte producten van deze collega zendamateurs zijn zo mooi, dat ik mijn eigen tuners bijna niet meer durf te laten zien, hi!
EEN ATU VOOR EEN AANTAL BANDEN
Elders op mijn site heb ik al gezegd dat een tuner voor een bepaald gebied een beter rendement kan hebben dan een tuner die geschikt is voor alle HF banden. Bij voorbeeld : ATU voor 10 - 20 m, ATU voor 30 - 80 m en ATU voor 160 m. De laatste vooral omdat velen onder ons maar een heel korte antenne voor die band kunnen plaatsen.
PAØEA heeft drie aparte tuners gemaakt volgens het type C4 van mijn klasse indeling van ATU's. Kennelijk is het afstembereik van zijn tuners in combinatie met het antennesysteem voldoende want de koppelwinding wordt niet in resonantie gebracht met een extra variabele condensator. Hij schrijft:
Het idee voor deze constructievorm heb ik uit RadCom van een aantal jaren geleden. De auteur verwees, meen ik, naar een heel oude QST publicatie. Ter informatie enkele foto's van symmetrische antenne tuners volgens het pi-filter principe. Ik heb er inmiddels 7 stuks gemaakt. De beide spoelen zijn op één spoelvorm gewikkeld en liggen dus in verlengde van elkaar. Voor de afstemcondensatoren gebruik ik wat er in mijn rommeldoos voorhanden is en met de getoonde 500 pF tweevoudige afstemcondensatoren kan ik 400 watt aan (dat is ook mijn ervaring red.).
De schakeling zoekt zelf zijn "evenwicht", dus niets aan massa leggen. Groot voordeel is de zeer lichte koppeling met de zender met een kleine parasitaire capaciteit aan massa (ik beveel juist een stevige koppeling aan red.).
Thuis maak ik gebruik van een verticale dipool, gevoed met 300 Ohm voedingslijn. De antenne gaat 8.5 m omhoog en 8.5 m omlaag. Op papier ziet het er symmetrisch uit. In de praktijk is dat natuurlijk niet zo. In de amateurwereld zal een elektrisch gezien symmetrische antenne zelden voorkomen. Bij deze antenne gebruik ik twee tuners om het hele gebied van 80 tot 10 meter te bestrijken. Via een twee standen coaxiaal schakelaar kies ik de tuner die ik voor een bepaalde frequentie nodig heb en prik ik de voedingslijn achter in deze tuner. Klaar!
De "groene" afstemmer hoort bij mijn 2 × 18 meter dipool op mijn locatie in de in de Achterhoek. Ook daar gebruik ik twee tuners voor het hele frequentiebereik.
|
PAØEA's mooi gebouwde ATU's voor een bepaald bereik. |
![]()