ACTIEVE LOOP ONTVANGER ANTENNE
Click on flag for Eng version ![]()
25-jul-2023
Dit actieve loop ontwerp wordt gebruikt vor WebSDR: http://mwiek.nl:8073/
![]() |
![]() |
![]() |
![]() |
![]() |
Let op: Door de vele experimenten en testen weten vele nabouwers niet welk schema gevolgd moet worden.
Het streven was om met zo min mogelijk componenten het beste resultaat te bereiken.
Zie ook dat er gedurende het ontwikkelingsproces de waarde van de componenten gewijzigd zijn.
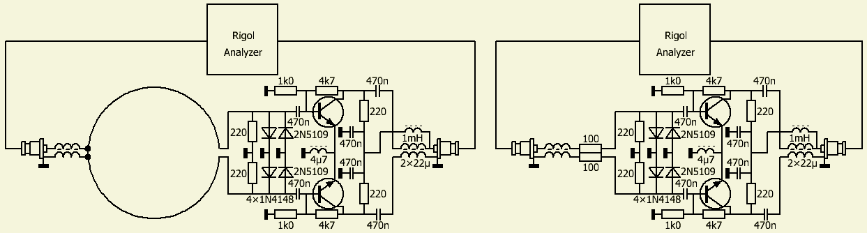
In Nederland zullen zendmateurs met te korte antennes baat hebben met het linkse schema omdat de 80 en 160 m banden er duidelijk bovenuit steken.
De meer gelijkmatige karakteristiek van het rechter ontwerp is waarschijnlijk voor anderen aantrekkelijker.
De hier toegepaste meetmethode zegt helaas niet alles over de prestaties.
De grafieken zijn een grove indicatie wat u kan verwachten, want bij ontvangst blijkt in de praktijk dat er niet zoveel verschil is tussen de diverse ontwerpen.

Als men op internet zoekt naar actieve antennes, dan zullen er meer dan 80 ontwerpen te vinden zijn. Deels commercieel maar het merendeel zijn eigen bedenksels van amateurs of elektronica hobbyisten.
Waarom nu weer een actieve antenne? Dat komt door een bij ons zendamateurs veel voorkomend fenomeen: je blijft experimenteren, onderzoekt of iets wel werkt, zelfs verbeterd kan worden en of het ook nog goed doet met minder componenten.
Het ontwerp was eigenlijk bedoeld voor de HF banden, maar het bleek goed te werken van 100 kHz t/m 70 MHz. Zelfs 2 m is te ontvangen.
Deze actieve loop antenne is het resultaat van ten minste twee jaar experimenteren. Eerst door PA3GZK; hij heeft veel van de op internet gepubliceerde actieve antennes gemaakt en getest. De antenne werd tenslotte uitgerust met een breedband versterker IC. Omdat ik benieuwd was of het systeem ook goed zou werken met discrete componenten, werd mijn experiment opgestart. Ook omdat niet iedere eventuele nabouwer handig is met het monteren van bijna onzichtbare IC's. U kent dat wel, adem inhouden en als het ding op de grond valt, is het bijna niet meer terug te vinden.
Omdat ik al ruim 24 jaar 24/7 mantelzorger ben, is er te weinig tijd om zelf alles intensief te testen. Gelukkig hebben PA3GZK en PD0EEA meegeholpen om steeds weer nieuwe wijzigingen op het schema te testen of veranderingen aan te dragen.
DIAMETER ANTENNE
Het bleek dat een loop het beste voldeed. Een mini whip werkt boven op een gebouw, op een dijk of in open veld goed maar in een woonwijk pikt het teveel storing op. Met een loop is dat minder en kan door te roteren een storend signaal verminderen. PA3GZK kwam op een diameter van 1.20 m voor de antenne. Dat was een compromis tussen een gevoelige ontvangst en gevoeligheid voor de richting. Met een grotere omtrek wordt de ontvangst sterker maar kan een signaal minder goed weggedraaid worden. Met een kleinere loop gaat dat beter maar de ontvangst wordt zwakker. Na veel experimenteren is dit het ontwerp dat goed werkt met zo weinig mogelijk componenten.

Men kan zien dat een kleinere diameter vooral ten koste gaat van het lagere deel van de HF banden.




De loop met versterker had een dip tussen 2.5 - 3.5 MHz. Met een koppelcondensator van 1µF naar de basis, wordt het niveau een beetje opgetild. Het blijkt dat de twee weerstanden van 220 Ohm over de loop de ontvangst verbeteren en de versterking gelijkmatiger wordt. Misschien komt dat ook doordat de twee weerstanden een betere symmetrie afdwingen. De verbetering is opvallend.
Door een spanning over de begrenzing diodes aan te brengen, is het mogelijk om het ontvangen signaal te verzwakken.
![]() |
![]() |
De eerder getoonde versie (2) 15-feb-2022 voldoet op zich goed, maar in het lopende jaar werd toch weer uitgebreid geëxperimenteerd en het blijkt dat het beste resultaat behaald werd met versie 31-jan-2023. Let er op dat de waarden van weerstanden en condensators veranderd zijn. De collectorstroom per transistor is ingesteld op 25 mA zodat het systeem minder last heeft van oversturing.
VOEDING

.jpg)
.jpg)
De voedingsspanning is niet kritisch, zie hierboven, maar met ongeveer 14 Volt is het optimaal, zodat men een "standaard" 13.8 V kan toepassen.
Ik gebruik een constante stroombron als voeding. Dat is om tijdens experimenteren bij een mogelijke kortsluiting de stroom te begrenzen.
Sommigen hebben twijfels over het inzetten van een LM317 omdat deze halfgeleider nogal last van ruis zou hebben. Als dat zo is valt deze ruis in het niet ten opzichte van de etherruis.
Als u beschikt over een goede geijkte S-meter, dan zal deze door de etherruis al S3 of S4 aanwijzen.

Hier is de bekende IC7300 modificatie gedaan zodat de actieve loopantenne aangesloten kan worden.
TRANSISTOR


Waarom juist een 2N5109 toegepast? Wel er waren nog originele Motorola's overgebleven van bouwprojecten en experimenten in de vorige eeuw en deze halfgeleiders bleken toen robuust te zijn. Vanwege de vele testen met deze actieve antenne, waren er meer nodig. Het schijnt dat Chinezen rechten hebben verworven om de 2N5109 opnieuw te produceren en daarom werden met enige schroom een tiental in China besteld. Wat blijkt, ze (productie K0512) doen niet voor de originele Motorola's onder. De spreiding in Hfe is ongeveer hetzelfde als de originele exemplaren. In een later stadium werden er nog tien besteld, maar dat bleken nummer K0342 te zijn. In de tabel kunt u de spreiding van beide zien.
PRINT ONTWERP
De antenne was bedoeld als zelfbouwproject, inmiddels blijkt dat sommigen dat niet kunnen of er geen tijd voor hebben. Vanwege meerdere verzoeken heeft PD0EEA printen laten maken en zelfs al naar binnen en buitenland verzonden. Onderaan dit artikel staat hoe u contact kunt opnemen met PD0EEA. Kant en klare antennes werden intussen ook besteld.
Spijtig genoeg zijn er zijn personen die denken dat hij met het een en ander goed verdient, niet dus, er zit veel tijd en werk in en het wordt gedaan om de medeamateur op weg te helpen.
Het printontwerp is zo universeel mogelijk gemaakt, zodat er ruimte is om zelf te experimenteren. Men kan bij voorbeeld kiezen voor een symmetrische uitgang of parallel aan de loop een condensator monteren. Ook is het mogelijk om een condensator en/of weerstand parallel over de basis te zetten.
Wat men aan de uitgang kan veranderen, is meer signaal voor de ontvanger terwijl de S/N verhouding aan de ingang van de versterker niet merkbaar verandert.
Men moet zich afvragen of een betere aanpassing aan de ontvanger wel nodig is, immers de ingang impedantie van een doorsnee amateur transceiver is zelden precies 50 Ohm. De coaxkabel tussen antenne en ontvanger werkt dan als impedantie transformator, waardoor de loopversterker met een andere belasting afgesloten wordt dan 50 Ohm.


Het printontwerp is zo universeel mogelijk gemaakt zodat er ruimte is om zelf te experimenteren. De witte ringkern wordt erbij geleverd.
Het oorspronkelijke printontwerp was ontworpen voor een LM317. Met de hierboven afgebeelde doorverbindingen is het nu ook geschikt voor een 7812.
Denk er om dat dit IC andersom gemonteerd moet worden!
In plaats van de meegeleverde witte ringkern kunt u ook een FT50-43 met 10 bifilaire wikkelingen gebruiken.
De grootte van de versterkerprint is 65 × 52 mm en de voedingsprint is 52 × 49 mm.
BEDRIJF

Ondanks zijn betrekkelijke eenvoud, werkt de antenne behoorlijk goed van tenminste 100 kHz tot 146 MHz. Het kan een uitkomst zijn voor degene die veel naar radiostations luisteren, maar niet de mogelijkheid hebben om een hoge of lange antenne te plaatsen.
Als referentie voor de prestaties werd een 2 × 16.55 m inverted dipool met de top op 12 m gebruikt. Per amateurband zorgde een automatische antennetuner dat het systeem in resonantie gebracht werd. Als ontvanger diende een ICOM 7300. Mijn testen werden gedaan met de loop 50 cm of 170 cm boven de grond en dat viel niet tegen. De verwachting is dan ook dat bij en hogere opstelling het resultaat meer dan bevredigend zal zijn. Hierbij denk ik aan luisteraars die in een flat wonen en alleen een klein balkon ter beschikking hebben. Wordt de antenne draaibaar opgesteld, dan kan men een storend signaal behoorlijk verminderen en bij een zwak signaal op maximum instellen. De prestaties hangen af van condities, het tijdstip en de opstralingshoek van het zendende station. De loop kan minder sterk zijn dan de dipool, maar ook weer sterker.
Naarmate de frequentie hoger wordt, komt de afnemende versterking behoorlijk overeen met dat van de ontvanger in gangbare HF transceivers.
Het is voorgekomen dat er toevallig twee stations op 40 m precies op dezelfde frequentie bezig waren. Dat had ik niet in de gaten, maar bij het overschakelen van dipool naar loop en terug, was alleen een van beide te horen. Dus op de dipool de ene zender en op de loop de andere zender.
Antennes met elkaar vergelijken moet men over een langere periode doen om goed te kunnen beoordelen.
Bij geregeld gebruik vind ik het een uitkomst om naar stations te luisteren zonder dat de zendantenne afgestemd moet worden bij het afzoeken van de amateurbanden.


AFGESCHERMDE LOOP

Heeft een afgeschermde antenne zin? Daarover zijn de drie testers niet zeker. De ene keer lijkt het dat een afgeschermde loop minder storing ontvangt, terwijl het een andere keer niets uitmaakt. Als men de antenne analyseert, dan blijkt het een zogenaamde Halo antenne te zijn dat met een koppellus gevoed wordt.
Op grond van deze bevinding zou men kunnen afleiden dat een afgeschermde antenne geen voordeel heeft.
Wel lijkt het dat een stoorsignaal beter weggedraaid kan worden, maar daar moet meer onderzoek naar gedaan worden.
Een nadeel kan zijn dat de capaciteit van de afscherming met de binnengeleider parallel komt te staan met de ingang van de versterker.
Een cirkelvormige antenne is niet absoluut vereist. Een kruisvormige figuur met draad bespannen is ook adequaat.
Als zendantenne voor de spectrumanalysator werd een even grote loop van 120 cm doorsnede gebruikt.
Naar mate de frequentie hoger wordt, komt de afnemende versterking behoorlijk overeen met dat van de ontvanger in gangbare HF transceivers.

Wij dachten dat het ontwerp zo langzamerhand wel uitgemolken was, maar bij mij blijkt dat een choke balun tussen antenne en versterker een bepaalde soort storing sterk vermindert. Een station met de loop is daarmee beter te verstaan dan met de draadantenne. Een mogelijke verklaring is dat een ongewenst signaal van de antenne via het kopervlak van de print toch de ontvanger bereikt.
PD0EEA ontdekte dat een condensator parallel aan de loop de ontvangst op 80 m en lager verbeterde. Dat laatste heb ik ook vastgesteld.
Het gevolg is dat wij met dit laatste nog experimentele ontwerp aan het testen zijn.
Een voorlopige conclusie is dat de parallel condensator een waarde moet hebben van 100 - 150 pF. Bij mij zit er nu 120 pF in. Overigens heeft PD0EEA al met het ontwerp van de print rekening gehouden dat er eventueel een extra capaciteit bij komt.
De koppelcondensators van 1 nF naar de basis zijn verhoogd naar 1 µF.
De ontvangst van bij voorbeeld BBC 198 kHz en 80m wordt beter terwijl dat op 50 en 70 MHz vermindert.
TWEE ONTVANGER INGANGEN

Als uw radio niet beschikt over twee antenne ingangen dan zijn er op het internet diverse mogelijkheden om dat te veranderen. Een andere optie is bij voorbeeld een antenne omschakelaar van Funkamateur in de vorm van een bouwpakketje.
https://www.box73.de/product_info.php?products_id=3686
![]()
![]()
![]()
VERVOLG ONTWERPEN EN EXPERIMENTEN

PD0EEA is nog eens aan het experimenteren gegaan en gebruikt momenteel dit ontwerp.

Een greep uit mijn experimenten.
.jpg)
Om te testen een gebruikte print genomen en voorzien van andere of extra componenten.
Bij metingen aan het feb-2022 ontwerp bleek dat er over de collector niet de halve voedingsspanning stond. Om dat voor elkaar te krijgen moesten er andere basis weerstanden gemonteerd worden. Het een en ander werd op een maagdelijke print getest en omdat er hier voldoende 470 nF condensators waren, werden zij op alle plaatsen gemonteerd. De indruk bestaat dat deze gewijzigde opzet ten minste net zo goed werkt als het feb-2022 ontwerp.


Het signaal van de actieve loop antenne (versie 03-dec-2022) is meestal iets minder dan dat van de inverted V draadantenne, maar vaak zijn dan zwakke sations beter te ontvangen..
Vooral zeer zwakke CW signalen op bijvoorbeeld de 20m band. Met de draad antenne vrijwel niet te nemem, met de loop duidelijk te ontvangen.
![]() |
![]() |
![]() |
![]() |
![]() |
![]() |

De beste manier om het systeem door te meten bleek te gaan met een Gamma match op het nulpunt van de antenne met de taps zo dicht mogelijk bij het centrale punt. Alle andere methodes worden beïnvloed door afstand, draairichting en vorm van een antenne die voor het stuursignaal zorgt.
De versterker kan men eventueel testen via twee serie weerstanden van 100 Ohm.
De afnemende versterking die u op de afbeeldingen ziet, zijn in de praktijk minder sterk want met toenemede frequentie wordt de elektrische afmeting van de loop groter en zal dus meer ontvangen.
Overigens de voedingsspanning is niet kritisch en bij een lagere spanning werken alle drie hetzelfde.

Versie 10-dec-2022 werd eerst getest met de juiste componenten op eerder gebruikte print, daarna vervangen door nieuwe print met uitsluitend nieuwe componenten.
Tijdens experimenteren gebruik ik meestal uitgesoldeerde componenten. Als een ontwerp naar tevredenheid werkt, wordt het netjes opnieuw gemaakt met nieuwe exemplaren. Bij het schema (versie 10-dec-2022) is alles op zoveel mogelijke gelijkheid geselecteerd. Domweg omdat de meetspullen ervoor aanwezig zijn. Zo ook de beide 2N5109's.
De afgebouwde print werd getest, wat bleek, één 5109 was defect? Eruit gehaald en opnieuwde versterking gemeten, was "goed", terug geplaatst, deed het niet! Met een andere geteste 2N5109 werkte de schakeling wel. Kennelijk ging het niet goed met de "defecte" transistor toen er spanning op gezet werd. Het is dus verstandig om rekening te houden met deze ervaring.
.gif)
Hier ziet u een typisch verschijnsel bij veel van mijn experimenten. Een proefschakeling met gebruikte componenten werkt beter dan het eindresultaat met nieuwe geselecteerde onderdelen.
Er zijn twee exemplaren van de rechter print gemaakt en beide waren identiek qua resultaat.

Het blijkt dat een autotrafo tussen de loop en versterker op de hogere HF banden meer signaal oplevert.
De aanpassing is gemaakt met de witte ringkern. Er komen 20 windingen op en de taps zijn na respectievelijk, 5 en 15 windingen.
Het nadeel van van dergelijke impedantie systemen is dat het altijd ten koste gaat van een frequentie gebied, hetgeen blijkt uit de getoonde afbeeldingen.

Met rechts het verwijderen van de 220 Ohm weerstanden en het gebruik van een 2k2 potmeter is er een betere balancering en ook een snufje meer versterking. Afregelen op gelijke collectorspanning.



Het linker systeem is volgens mijn ervaring de beste middenweg voor het ontvangen van 198 kHz tot 70 MHz.


Om een breder spectrum te verkrijgen werden twee identieke versterkers parallel geschakeld. Één met een autotransformator en de ander zonder. Maar dat ging ten koste van het bovenste deel van de HF banden.
|
|
![]() |
![]() |
![]() |
%2010-dec-2022.gif)
Als men voor de basis instelling een diode gebruikt wordt de schakeling nog eenvoudiger, maar de collector weerstand moet dan 820 Ohm worden. Daardoor vergroot de tegenkoppeling en gaat de ingang impedantie omlaag en de versterking daalt. Met een 4 : 1 trafo aan de ingang wordt de aanpassing beter en verkrijgt men een vlakker verloop van de garfiek. De algehele versterking is veel minder dan het ontwerp van 10-dec-2022.


Als experiment werd een voorversterker met twee J319 FET's toegevoegd. Met de gate weerstand kan men de grafiek instellen.
Jammer genoeg lukt het vooralsnog niet om de 80 en 160 m gelijk te krijgen met de hogere frequenties.

Uit de experimenten blijkt dat een aanpasnetwerk aan de ingang vooral het hogere gedeelte van de HF banden bevoordeeld ten koste van alles beneden de 40m band. Het beste systeem daarvoor is een HF autotransformator met een windingverhouding van <4 : 1.
Nederlandse amateurs willen de actieve antenne vooral gebruiken voor de 80 en 160 m band. Voor hen lijkt het ontwerp van 27-jan-2023 het meest geschikt.
Zie ook experimenten met actieve antennes op:
ps://pa0fri.home.xs4all.nl/Ant/Active antenna/Active receiving loop antenna.htm
https://pa0fri.home.xs4all.nl/Ant/PA0FRI's actieve antenne/PA0FRI's actieve loop antenne.htm
| PRINTEN BESTELLEN |
| De printen kunnen besteld worden via h.alards@gmail.com Zij kosten binnen Nederland € 12,50 plus €5,00 voor verzending. Voor meer informatie gebruik dan hollandshortwave@gmail.com |