PA0FRI's BREEDBAND ACTIEVE LOOP ANTENNE
Experimenten met diverse versterkers.
Versie 05-may-2022
For English version click on flag ![]()
Printen zijn weer beschikbaar voor €12,50 per stuk inclusief voedingsprint en witte ringkern.
Verzendklaar maken voor NL €5,00. Vermeld bij het overmaken svp uw naam en adres.





Wij dachten dat het ontwerp zo langzamerhand wel uitgemolken was, maar bij mij blijkt dat een choke balun tussen antenne en versterker een bepaalde soort storing sterk vermindert. Een station met de loop is daarmee beter te verstaan dan met de draadantenne. Een mogelijke verklaring is dat een ongewenst signaal van de antenne via het kopervlak van de print toch de ontvanger bereikt.
PD0EEA ontdekte dat een condensator parallel aan de loop de ontvangst op 80 m en lager verbeterde. Dat laatste heb ik ook vastgesteld.
Het gevolg is dat wij met dit laatste nog experimentele ontwerp aan het testen zijn.
Een voorlopige conclusie is dat de parallel condensator een waarde moet hebben van 100 - 150 pF. Bij mij zit er nu 120 pF in. Overigens heeft PD0EEA al met het ontwerp van de print rekening gehouden dat er eventueel een extra capaciteit bij komt.
De koppelcondensators van 1 nF naar de basis zijn verhoogd naar 1 µF.



Een mooie montage van de werkende schakeling werd gedaan met het ruim opgezette printontwerp van PD0EEA.

Dit zijn compactere printen overeenkomstig het bovenstaande schema. De witte ringkern wordt met de print meegeleverd. Op de print staat 4 turns bifilair, moet bifilar zijn en 5 turns.
Als zendantenne voor de spectrumanalysator werd een even grote loop van 120 cm doorsnede gebruikt.
Naar mate de frequentie hoger wordt, komt de afnemende versterking behoorlijk overeen met dat van de ontvanger in gangbare HF transceivers.
Alle in dit artikel getoonde versterkers voor een loop antenne werken goed. Het beste is het ontwerp van 12 november. Door de collector-basis weerstand van 33k te verkleinen naar 22k werd de gevoeligheid iets beter. De loop met versterker had een dip tussen 2.5 - 3.5 MHz. Door de basis koppelcondensator te verkleinen naar 1nF wordt de loop in dat bereik in resonantie gebracht waardoor de dip afneemt. De voedingsspanning is niet kritisch, maar met ongeveer 14 Volt is het optimaal. Hier wordt een constante stroombron als voeding gebruikt. Dat is om tijdens experimenteren de stroom te bregrenzen bij een mogelijke kortsluiting.
Tijdens zijn experimenten met allerlei soorten versterkers voor een actieve loop antenne, kwam PD0EEA op het idee om ook een MC1350 als versterker te gebruiken. Hij hield zich bezig met een gebalanceerde uitgang en ik vond een mogelijkheid om enige componenten uit te sparen door een asymmetrische of coaxiale uitgang toe te passen.
Lezers vragen zich af waarom er geen betere aanpassing gedaan is door bij voorbeeld trafo's aan uit en/of ingang aan te brengen, waardoor er ten minste 6 dB of meer versterking bereikt kan worden. Dat is met mijn IC7300 niet nodig. Als er overgeschakeld wordt van een antennetuner met een aangesloten 2 × 16.55 m dipool naar de loop antenne, hoeft er niets aan de instelling van de transceiver veranderd te worden. Met meer signaal uit de loop antenne moet de verzwakker ingeschakeld of de HF versterking teruggeregeld worden. In de praktijk zijn de signalen uit beide antennes vrijwel gelijk en afhankelijk van band of tijdstip kan de loop iets sterker zijn of geeft de dipool iets meer signaal.
Zo kan men het ook doen:

De antenne staat op een 1.70 m hoge houten paal in de achtertuin op ongeveer 6 m van de woning. De eigen ruis van de versterker is dan lager dan de achtergrondruis.
De voeding is een constante stroombron van 18 mA. Dat is gedaan omdat bij experimenteren het regelmatig voorkwam dat de voedingspanning kortgesloten werd en nu wordt dat begrensd tot 18 mA.
Bij zo'n eenvoudig ontwerp kan men twijfels hebben of het wel werkt. Daar kan men achter komen door het op een elektrisch verantwoorde wijze in elkaar te zetten en dan te testen.
Kort door de bocht is het volgende theoretische commentaar: " Iemand vertelde me dat dat ding hopeloos instabiel was en last van oversturing en gillen had. Leuk maar te simpel gedacht schakelingetje. ALS het al werkt, barst het vermoedelijk van de lokale man made noise, IMD, en oscilleren. En zegt de S-meter uitslag in de RX niks over de werkelijke sterkte verhoudingen. Leuk om als bouw pakketje snel mee te verdienen." Sic!
De produktie van MC1350P wordt momenteel gedaan door of namens ON Semiconductor. Ik heb 10 stuks in China besteld en vergeleken met een paar originele MOTOROLA MC1350P die ik nog had liggen. Er kon geen verschil vastgesteld worden. Verder heeft de Online-Shop van https://www.funkamateur.de/ ze in vorraad.
Een recent experiment.
|
|
|

Belast met 50 Ohm (input ontvanger) is de versterking recht van 1.8 MHz tot 70 MHz.
Beide versterkers werden parallel op de loop aangesloten om zo snel mogelijk de coaxkabel van de een naar de andere versterker te schakelen. Hiermee kon de signaalsterkte voor beide systemen zo goed mogelijk identiek blijven. Men ziet dat het onderlinge verschil minimaal is. Mijn voorkeur gaat dan ook uit voor het eenvoudigste ontwerp, maar de keus is aan u.





Test met PA0FRI's ontwerp







Een selectie van geteste systemen.
INLEIDING

De veel in omloop zijnde actieve "(mini)whip"-antennes werken goed in het vrije veld, maar in een dichtbevolkte woonwijk pikt het systeem veel minder signaal op. Ook zijn de ontvangst prestaties overdag veel minder dan in de avond en of nacht. Dat is de ervaring van PD0EEA, toen hij het testte met twee gekochte systemen. Voor een optimaal resultaat moet de antenne in de bebouwde kom boven het hoogste punt van de omgeving opgesteld worden.|
Er zijn veel versterkers gemaakt en getest, met 1 of 2 transistors, met 4 transistors, een balans schakeling of een enkelvoudige schakeling. Een selectie van geteste systemen. |


De 2N3866 had ik nog, maar een ander type (2N3904, BFG541, BFG591?) is misschien beter geschikt.
Het blijkt ook dat het met een originele RCA 2N5109 goed werkt. Een (kloon?) 2N5109 wordt tegenwoordig in CHina geproduceerd.
Er werden een tiental besteld om te onderzoeken of ze gelijkwaardig zijn aan de RCA's.


De voedingspanning is niet kritisch, het werkt van 5 tot 16 V, maar met 13.8 Volt zijn de testen gedaan en die spanning is meestal in ieders shack aanwezig.

Er zijn diverse printen ontworpen tijdens de testperiode. Dit universele ontwerp volgt de laatste ontwikkeling en is in productie.
Men kan ermee experimenteren of de bovenstaande schakeling maken.
Printen (PCB nr 150521) kunnen bij Hans Alards, PD0EEA besteld worden via zijn email adres: h.alards@gmail.com
De prijs hangt af van de al geproduceerde printen of van nog te produceren printen.


Deze actieve loop antenne is het resulaat van experimenten waarvan een selectie verder in dit artikel vermeld zijn. Ondanks zijn betrekkelijke eenvoud, werkt de antenne behoorlijk goed van tenminste 100 kHz tot 145 MHz. Het kan een uitkomst zijn voor degene die veel naar radiostations luisteren, maar niet de mogelijkheid hebben om een hoge of lange antenne te plaatsen.
Als referentie voor de prestaties werd een 2 × 16.55 m inverted dipool met de top op 12 m gebruikt. Per amateurband zorgde een automatische antenne tuner dat het systeem in resonantie werd gebracht. Als ontvanger diende een ICOM 7300. Mijn testen werden gedaan met de loop 50 cm of 170 cm boven de grond en dat viel niet tegen. De verwachting is dan ook dat bij en hogere opstelling het resultaat meer dan bevredigend zal zijn. Hierbij denk ik aan luisteraars die in een flat wonen en alleen een klein balcon ter beschikking hebben.
Wordt de antenne draaibaar opgesteld, dan kan men een storend signaal behoorlijk verminderen en bij een zwak signaal op maximum instellen.
De prestaties hangen af van condities, het tijdstip en de opstralingshoek van het zendende station. De loop kan minder sterk zijn dan de dipool, maar ook weer sterker. Het met elkaar vergelijken moet men over een langere periode doen om goed te kunnen beoordelen.
De impedantie van de antenne hangt af van de frequentie. Hoe lager de frequentie hoe lager de impedantie. De maximale impedantie zal ongeveer 130 Ohm zijn bij een frequentie (≈ 80 MHz) waarbij de loop een hele golf is.









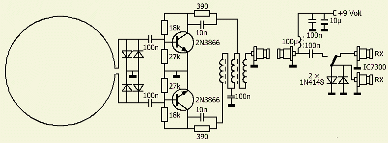
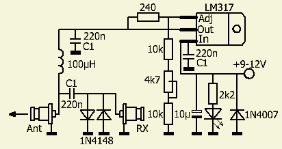
De uitkoppeling is gedaan met een mantelsmoorspoel. Dat is voor iedereen goed zelf te maken en zorgt voor een overdracht van een zeer breed spectrum.
Een gelijkstroom voeding voor de versterker zou door het mantelstroomfilter toegevoerd kunnen worden, maar om voormagnetisatie van spoelkern te vermijden, is gekozen voor voeding via twee grote smoorspoelen.
Een interessante ervaring was het zwevend houden van de output, want de ontvangst werd daardoor rustiger. Een JBF verklaring (jan boeren fluitjes) kan zijn dat het aardvlak van de print, dat in eerste instantie met de afscherming van de output connector verbonden was, ondanks zijn geringe grootte als een mini whip antenne werkt en zodoende ongewenste signalen via de afscherming van de coaxkabel de ontvanger bereiken.
ANDER EENVOUDIGER ONTWERP
Dit werkt bijna net goed als het vorige systeem en vanwege de eenvoud ervan heeft het mijn voorkeur. Als men beide systemen op enige afstand met elkaar vergelijkt is het verschil minimaal.



Met dezelfde universele print kan deze schakeling gemaakt worden.
Bij de volgende afbeeldingen werd er niets aan de ontvanger (IC7300) gedaan en zo snel mogelijk van de inverted V antenne naar de actieve antenne geschakeld om beide beelden zo identiek mogelijk te krijgen.
Per amateurband zorgde een automatische antenne tuner ervoor dat het inverted V antyennesysteem in resonantie werd gebracht. Voor het doen van de test werd in de amateurband of iets daarbuiten op een zo constant mogelijk signaal afgestemd. Het zal duidelijk zijn dat het een en ander niet op hetzelfde tijdstip van een dag gedaan is.
De dipool (inverted V) heeft als hoogste punt een mast van 12m en de loop was geplaatst op een 1.70 m houten paal.




Bakens op 50.425 MHz en 70.070 MHz.

BBC Radio 4, 198 kHz.
Niet gek voor zo'n eenvoudige schakeling vooral als men het daadwerkelijk vergelijkt met andere ontwerpen die op het internet gepubliceerd zijn.
Een dergelijk resultaat met zo'n eenvoudige schakeling werd een aangename verrassing. Als u de afbeeldingen nauwkeurig bekijkt, dan ziet men dat de loop een ietsje minder signaal heeft dan de draad dipool. Bedenk echter dat de top van deze antenne op 12 m ligt en het systeem in resonantie wordt gebracht met een automatische antennetuner. De loop daarentegen staat op een 1.70 m paal en is breedbandig.
EXPERIMENTEN MET VERSTERKERS





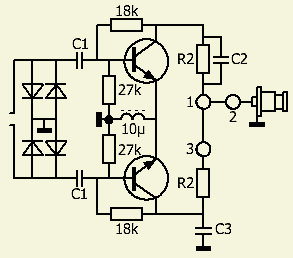
Het voordeel van een balans schakeling is het onderdrukken van even harmonischen.
Tot mijn verrassing was er al emand die met het gebalanceerde ontwerp geëxperimenteerd had.
“Vanavond even de loop Amp gemaakt zoals die op je site staat. Er lagen nog een aantal nieuwe 2N5109's van RCA uit de 70er jaren!
De versterker gaat goed, ook onderin bij de 100 kHz is hij twee S punten harder dan mijn oude BC ontwerp. Boven de 3 MHz tot 15 MHz neemt de versterking nog meer toe en moet eigenlijk iets naar beneden omdat de S meter 1.5 S punt uit de hoek komt. Daarentegen zijn wel alle zenders bom hard. Zo te horen een goede S/N verhouding, hij werkt beter dan met de INA versterker.

HET BESTE GETESTE SYSTEEM
Als de chakeling naar uw zin teveel versterking heeft, dan kan dat met een weerstand verminderd worden. Dit is een oudere grotere print waarmee goed te experimenten was.



Trafo's aan in en uitgang geven verliezen of beperken de bandbreedte en kunnen ongewenste resonanties hebben. Door (soms) veel windingen met extra capaciteit is het maar de vraag wat er van zo'n balancering overblijft. Dat is de reden dat ik de voorkeur geef aan een ringkern als mantelstroomfilter, waarbij het mogelijk is om
windingen van elkaar te scheiden zodat ze niet over de hele lengte tegen elkaar liggen. Bovendien is een dergelijk filter eenvoudiger om zelf te maken. De hier toegepaste ringkern is volgens de aanbieder het type 2P80 en met 10 bifilaire windingen is de zelfinductie ongeveer 377 µH gemeten met een Chinese M4070 LCR meter. Het kan vervangen worden door AMIDON FT50-W.
Als men printen bij PD0EEA besteld wordt de witte (2P80?) ringkern er gratis bijgeleverd.
Als de versterking te groot is, kan men een weerstand over de smoorspoel aanbrengen of naar believen een geschikte verzwakker gebruiken. De uitkoppeling is een mantelstroomfilter (choke balun, line insulator) geworden. Daarmee is men niet zo afhankelijk van de eigenschappen van een transformator of balun als koppelmiddel. Merkwaardig genoeg was ongewenste storing daarmee veel minder geworden. Voorlopig veronderstel ik dat asymmetrische storende signalen door een verbeterde balans minder kans hebben om in de ontvanger te komen.
Er zullen wel weer opmerkingen komen van: "De uitgang is geen 50 Ohm".
Nee dat is geen 50 Om, maar de voor het testen gebruikte transceivers of ontvangers hadden daar geen last van. Bovendien is de impedantie aan de ingang van ontvangers zelden precies 50 Ohm.
Inmiddels zijn er diverse goedbedoelde opmerkingen of suggesties ontvangen in de trant van: "dat is niet goed, waarom niet zo, te veel versterking, het kan beter, dat veroorzaakt teveel ruis, de impedantie is te laag, de collectors worden bijna kortgesloten etc." Echter na uitgebreide experimenten werkt de schakeling in de praktijk is onze ervaring. Het teleurstellende is dat alle adviseurs geen bijlage meesturen met een verbetering van het ontwerp of van een eenvoudige en werkende schakeling, dat in een vergelijkende praktijk test het kan opnemen tegen het ontwerp in dit artikel. Als een beter (KISS) ontwerp het licht ziet, willen wij als experimenterende zendamateurs daar graag meer van weten!

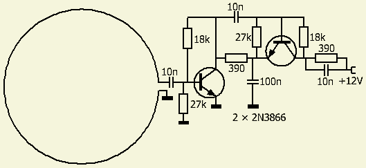
De werking is hetzelfde als de vorige schakeling, alleen is het geringmatig aangepast in verband met het kleine printontwerp.
Het ontvangst bereik met 2N5109 of 2N3866 in deze en vorige schakeling is ten minste 30 kHz tot en met 146 MHz en met BFG135 tot 220 MHz.
Wil men een output van 50 Ohm dan kan ten koste van een iets mindere versterking de 470 µH smoorspoel vervangen worden door een 50 Ohm weerstand.
Met de onderkant van de loop op 50 cm boven de grond is op 145.625 de repeater van Bergen op Zoom te horen.
De afstand tot de repeater is ongeveer 30 km.
Het baken 70.070 MHz op 40 km afstand heeft een Big Wheel (klaverblad) horizontaal gepolariseerde antenne. Op de loop 50 cm boven de grond wordt dat singaal sterker ontvangen dan met mijn verticale rondstraler op een 12 m hoge mast. Gezien de afmeting van de loop is op deze band duidelijk sprake van horizontale polarisatie.
Het resultaat hangt ook af van de opstralingshoek van het tegenstation. Als bij voorbeeld twee stations dicht naast elkaar op 40 m even sterk zijn met een 2 × 16.50 m dipool, dan is met de loop antenne een van beide sterker dan met de dipool.
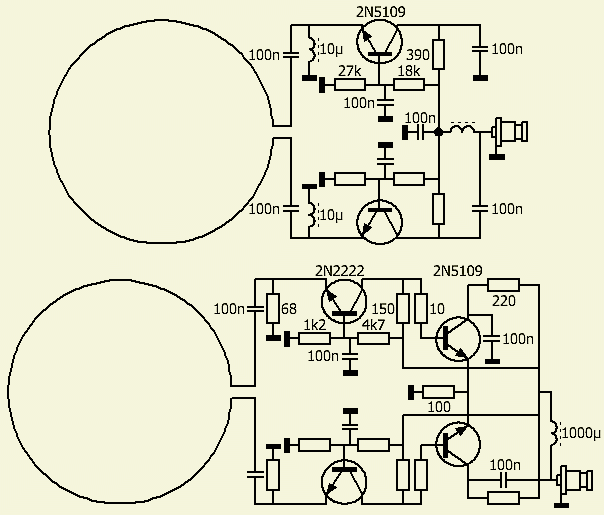
ASYMMETRISCHE UITGANG
![]() |
![]() |
Een behoorlijke vereenvoudiging bereikt men door een "single ended output" toe te passen. Er zijn geen trafo's of baluns nodig die frequentie afhankelijk kunnen zijn.
Diverse pogingen werden gedaan om een nog eenvoudiger ontwerp te verkrijgen.
PD0EEA kwam op het lumineuse idee om het te doen volgens de interne schakeling van veel IC's, zoals een MC1350. Dat IC werd en wordt nog steeds in zelfbouw projecten gebruikt en is in veel transceivers gemonteerd.
Hoe de schakeling werkt wordt niet door iedereen begrepen. Bij één transistor is de collector door een condensator ontkoppeld en werkt dan als emittervolger. Het signaal wordt via de emitter aan de andere transistor doorgegeven. De laatste doet dienst als geaarde basis versterker, maar ook als geaarde emitter versterker. Het resultaat is dat bij deze transistor aan de collector een signaal ontstaat dat een optelsom is van beide signalen omdat zij dezelfde fase hebben.
![]() |
![]() |
![]() |
In het originele schema hoeft men alleen één condensator bij een collector naar massa te leiden en een gezamenlijke emitter smoorspoel te monteren.
Er moet nog getest worden of het resultaat hetzelfde is als dat van het originele schema. Als dat positief uitpakt, benadert het nog meer onze doelstelling: een zo eenvoudig mogelijk en goed werkend systeem met weing poespas te presenteren.
Het voordeel van deze schakeling is een symmetrische ingang en een asymmetrische (coaxiale) uitgang zonder baluns, mantelstroom filters of trafo's.
NB: De Koreaanse 2N5109's deden het hier net zo goed als de originele "vintage" RCA 2N5109.


Er wordt ook nog uitgezocht of verdere vereenvoudiging nog mogelijk is.
Dit is het resultaat van het linker schema.



CONTRUCTIE LOOP
Als experiment een paar zelfgebouwde 2 m antennes als loop gebruikt. Ze doen het goed alleen is de sterkte van de signalen minder en is het toch beter om een grotere omtrek te gebruiken. 
Er wordt nog gewerkt aan een stevige en eenvoudige contructie van de loop antenne. Het zou ook een vierkant kunnen zijn van 4 × 100 cm. Dat is dichtbij de omtrek van een 120 cm ronde loop. Het kan gemaakt worden van Alu strip of voor de stevigheid Alu hoekprofiel. De punt omhoog zodat het onaantrekkelijk wordt voor vogels om er op te zitten.
IC7300 MET ACTIEVE ANTENNE