ASYMMETRISCH OF REFLEX OPLADEN
For Eng version click on flag ![]()
13-mei-2018
|
|
![]() |
INLEIDING
Het asymmetrisch of reflex reactiveren of laden van een batterij is niet bij iedereen bekend, terwijl het (nog steeds) een zeer effectieve methode is. Het systeem is gebaseerd op een bedenksel van landgenoot Ernst Beer. In 1954 werd hem daarvoor een patent in Nederland (nr. 2752550) en Duitsland (nr. 937477) toegekend. Ook in de USA: https://patents.google.com/patent/US2752550A/en?oq=2752550
Het betreft een pulserende lading met kortere ontlading pulsen. Kort gezegd de laadstroom is groter dan de ontlaadstroom zodat er toch een lading plaats vindt. Engelstaligen noemen het ook wel een "dirty DC charger".
Het principe gebruik ik al sinds 1963. De senioren onder u die nog als (dpl) militair paraat geweest zijn, herkennen wel het gemis aan voldoende staaflantaarns in dienst. Voor een oefening werden zij (fig») met mondjesmaat verstrekt en als je een exemplaar ergens kortstondig onbeheerd achterliet, werd het onmiddellijk door een ander "geleend" dan wel "georganiseerd". De daarop volgende dagen tastte je dan letterlijk en figuurlijk in het duister.
BATTERIJ REACTIVEREN
Om verschoond te zijn van genoemde ongemakken, gebruikte ik een eigen platte zaklantaarn waar een 4.5 V batterij in paste. Een moderne versie ziet u hiernaast. U herkent het type waarschijnlijk nog wel en o.a. postbodes droegen dat vaak bij zich. Het ding werd door mij veel gebruikt en dat kostte nogal wat batterijen. Dat is niet zo vreemd, want destijds was je meer te velde dan in de kazerne.
De uitvinding van Beer zou een langere levensduur van de batterij kunnen betekenen en daarom werden thuis producten van allerlei fabrikaten aan een "lader" gezet. Niet alle geteste types waren geschikt om op peil gebracht te worden. Het beste resultaat was met de toenmalige platte 4.5 V Witte Kat batterij.
In feite wordt niet geladen, maar gereactiveerd. De inwendige weerstand van zo'n zink-koolstof batterij neemt toe tijdens het ontladen, zodat er steeds minder stroom te leveren valt. Het zink dat deel uitmaakt van een chemische proces, keert met het "laden" niet meer terug in zijn oorspronkelijke vorm. De drie cellen zijn echter niet leeg en Beer's methode vermindert de inwendige weerstand, zodat de batterij langer meegaat. Hoe het een en ander inwendig elektrochemisch werkt, kan ik mij niet meer goed herinneren. Ondanks het veelvuldig gebruik ging mijn Witte Kat wel 2 jaar mee, mits na gebruik direct gereactiveerd werd tot de klemspanning niet meer toenam.
De laadstroom was 130 mA en de tegenstroom 30 mA, zodat er effectief opgepept werd met 100 mA. Die stroom verhouding van 1 ÷ 3 pas ik vrijwel altijd toe. Anderen gebruiken veelal een 1 ÷ 10 ratio.
De waarde van de componenten hangt af van wat u ter beschikking heeft. Laat eerst R2 weg en regel met een volle batterij R1 af op 130 mA. Breng dan R2 (R2 = ~ 3 × R1) aan en regel de laadstroom af op 100 mA.
Het reactiveren van Alkaline cellen gaat wel in geringe mate maar is niet zo succesvol als met de oude zink-kool batterijen.
ACCU LADEN
Enthousiast geworden met het resultaat werden door mij vervolgens lood, nikkel-ijzer, nikkel-cadmium accu's onderhanden genomen en decennia later de huidige NiMh types. Op een gegeven moment waren er bijna 100 accu's van knoopcellen tot 100 Ah exemplaren in huis aanwezig. Dat kwam omdat iedereen die nog een afgekeurde batterij had liggen, gevraagd werd om het voor een test af te staan. Toen dat jaren erna werd verzameld om op te laten halen door een vrachtwagen van de lokale milieudienst, stonden ze wel vreemd te kijken dat een consument zoveel in te leveren had.
Accu's waarvan men denkt dat ze onbruikbaar zijn, kunnen na meerdere herhaalde laad en ontlaad cycli vaak weer goed opgeknapt worden. Dat geldt ook voor loodaccu's die een lading niet meer volledig opnemen.

Deze 12V loodaccu nam aanvankelijk geen lading meer op, is nu weer boven jan.
Het blijkt dat de laadstroom veel hoger kan zijn dan een opgeplakte sticker vermeldt zonder dat een accu warm wordt. Ook hoeft de maximum laadtijd niet meer zo nauwkeurig aangehouden te worden. Als het nodig is om dichte cellen te snelladen, dan doe ik dat tot zij handwarm worden.
Verder wordt het NiCad geheugen fenomeen grotendeels te niet gedaan of sterk verminderd. Ook het tussentijds opladen is dan mogelijk is mijn ervaring.
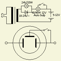
Voor een gemiddelde laadstroom van ongeveer 1 à 2 Amp wordt meestal de afgebeelde opstelling en het schema hiernaast gebruikt. De diode is op het koelblok gemonteerd. De autolampen zorgen min of meer voor een stroombegrenzing en dienen ook als indicatie. Als een accu aanvankelijk geen stroom opneemt, brandt alleen de kleine lamp. Gaandeweg gaat de grote lamp gloeien zodat men weet dat de eigenlijke lading begint.
Onlangs heb ik "dode" 9 en 12 V accu's van de twee linkse handboormachines als test in één uur snel opgeladen. Zij lagen al jaren op zolder omdat de andere boormachine bijna dagelijks in gebruik is. De machines werken weer als vanouds!
Deze loodaccu (fig») werd in 1993 uit een alarm installatie verwijderd om plaats te maken voor een nieuw exemplaar. Nu in 2018 wordt het nog steeds regelmatig naar volle tevredenheid door mij voor experimenten en als tijdelijke portable voeding gebruikt.
Alle voorbeelden zijn slechts een fractie van het aantal opgeknapte accumulatoren en dat alles door het toepassen van Beer's idee.

Het blijkt dat Ni-MH batterijen ook goed opgepept kunnen worden!
Het originele laadsysteem is verwijderd en daarna omgebouwd tot universele houder voor het refelex laadsysteem.
Veel laders in huis werden omgebpuwd tot het asymmetrische laadsysteem of als universele houder (zoals hierboven) om 1 tot 4 batterijen of laadbare batterijen te 'reactiveren'.
|
|
Met een 40/45W 12V autolamp is het mogelijk om te werken met twee laad-ontlaad verhoudingen. Door een schakelaar kunt u beide gloeidraden parallel aan elkaar zetten waardoor de laadstroom groter wordt. Het is niet getekend maar met een andere aansluiting zijn beide gloeidraden in serie te schakelen. Zelf pas ik dat niet toe omdat de eerste methode bij mij in de praktijk goed voldoet.
OMGEKEERD OPLADEN
Als de voorgestelde methode niets oplevert, kan het omgekeerd opladen een poging waard zijn. Diverse lood en NiCad accu's die aanvankelijk echt "dood" waren, werden door mij "opgeladen" door de plus en minpool te verwisselen. Eerst gebeurt er niets en dan begint de stroom op te lopen. Als de klemspanning niet meer toeneemt, ontlaad ik en het proces wordt een aantal keren herhaald tot er geen wezenlijke verandering meer plaats vindt. Daarna worden de polen weer op een correcte wijze aangesloten en de accu opgeladen zoals eerder in dit artikel aanbevolen wordt.
COMMENTAAR
Regelmatig druppelen er berichten binnen over positieve ervaring met dit laadsysteem, een voorbeeld uit de USA:
'I just built the reflex battery charger as shown on your web page. FANTASTIC!
Something so simple, yet works so well. BRAVO.
Best, is it causes NO RFI (unlike the other chargers sold here in the USA).'
![]()