POWER AMPLIFIER EDL144 (2m)
(POLAR ELECTRONICS DEVELOPMENTS LTD.)
Not yet available.
01-nov-2013 Met meer info.

EDL144, kast: 26 × 15 × 17.5 cm (b × h × d).
INLEIDING

Het formaat van de versterker kan men inschatten met de afmeting van de zendbuis.
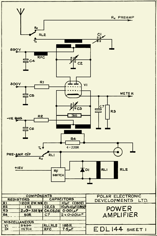
Deze AB2 lineaire versterker type EDL144 voor zenders van 10-20 W is bestemd voor 2m VHF en is geproduceerd door POLAR ELECTRONICS DEVELOPMENTS LTD. Het apparaat zal men zelden op internet tegenkomen en dit artikel is bedoeld als extra informatiebron. Het type is oorspronkelijk uitgerust met een dubbeltetrode 5394, maar met QQV06/40A is ook mogelijk. Toen het ding op eBay aangeboden werd, kon ik ook niet nalaten om een bod te doen. De bedoeling was om, door het veranderen van de kringen aan in en uitgang, er een 50 MHz PA van te maken.
De versterker bleek in zeer goede staat te zijn en relatief klein van afmetingen. Boven het rechtergedeelte, waar de buis gemonteerd is, zijn ventilatiesleuven in het deksel aangebracht en aan de achterkant zijn ronde openingen. Een vorige eigenaar heeft met lettertape de vereiste ruststroom voor diverse modes op de frontplaat aangebracht. Er is echter geen gemakkelijke voorziening aangebracht om de ruststroom zomaar even in te stellen.
Het type EDL144G heeft extra voorzieningen onder andere aan de achterkant een PTT uitgang om eventueel de VOX te overbruggen en een extra kortsluit schakelaar voor het instellen van de ruststroom: 40 mA bij SSB en Ø mA bij CW of FM.
HET BINNENWERK

Er is kennelijk niet op de transformator bezuinigd, want het forse type vult de helft van de binnenruimte. Onbelast is de gelijkgerichte spanning 750 Volt met 230 Volt netspanning op de 240 Volt aansluiting. Bij belasting zakt het in naar ongeveer 700 Volt. De trafo is een beetje scheef gemonteerd in verband met de schroefgaten voor andere componenten.
|
|
|
|
|
Het printje voor de ontvanger voorversterker is aan de linkerkant gemonteerd en voor de duidelijkheid nog eens («fig) apart afgebeeld. Op de middelste print nabij de onderste rand is de VOX schakeling (RF switch) waarvan ik (nog) geen schema kon vinden. |

Links de antenne aansluiting met zend/ontvang relais en een gele draad als oppik lus voor de output meting. Rechts de anode kring gemaakt met relatief dun draad. De originele anodeklemmen zijn jammer genoeg vervangen.

De stuurrooster kring aan de ingang is duidelijk in beeld en rechts is een potmeter voor het instellen van de negatieve roosterspanning.
SCHAKELINGEN
Er wordt gewerkt aan één overzicht schema waar de volgende afbeeldingen in verwerkt zijn.

De werkelijke montage wijkt af van het schema. Het is niet bekend of dat bij de productie gebeurd is of later door een vorige eigenaar. De kring aan de ingang is gedempt met 4 × 220 Ohm (R4) parallel aan de koppelspoel. De spoel naar de stuurroosters is gedempt met een 5k6 parallel weerstand. Beide veranderingen zijn door mij al in het bovenstaande schema ingetekend.
MODIFICATIE

Een modificatie met trimmer en 4 × 2k2 weerstanden om een betere SWR aan de ingang te verkrijgen.
De SWR aan de ingang was aan de hoge kant en daarom heb ik een 30 pF trimmer aan de schakeling toegevoegd om de koppelwinding uit te stemmen. Verder is R4 verwijderd en 4 × 2k2 gemonteerd aan de secundaire kant van de roosterkring. De trimmer wordt midden in de band afgeregeld op zo laag mogelijke SWR.

Wat opvalt aan de schakeling is de aanvoer van schermrooster spanning. Bij ontvangst wordt het door een relais kortgesloten via een 33 k/50 W (R7) weerstand. Iets dergelijks deed men in het verleden met een "clamper tube" dat stroom trok en zo de schermrooster spanning omlaag bracht. Als er sturing gegeven werd, ging de buis dicht en kreeg de zendbuis zijn volle g2 spanning.


![]()