ICOM IC-240 MODS
For Eng version click on flag. ![]()

ICOM IC-240, FM transceiver, 10 W, 22 channels.
INLEIDING
Sinds het vervallen van een CW vaardigheid voor het werken op HF banden worden er op internet 2de hands markten of veilingen veel 2m transceivers aangeboden.
Regelmatig zelfs voor een aantrekkelijke prijs. Zo kwam ik voor € 15,50 (ex. verzendkosten) in het bezit van een ICOM IC-240. Hoewel hier al sinds decennia een IC-240D aanwezig is, kon ik de verleiding niet weerstaan om een tweede apparaat te kopen. Behalve een gedeeltelijk verfloze kast door mobiel gebruik bleek het setje, na het fijner afregelen van een paar kerntjes of trimmers, niets te mankeren. Zo'n extra apparaat is altijd makkelijk om ermee te experimenteren, te vergelijken, modificaties te testen of aan te brengen. Men kan altijd terugvallen op het eerste exemplaar.
IC-240
|
Gewicht: 2 kg |
|
Frequentie 144 - 146 MHz |
|
Ouput: 10 W, 13.8 VDC/2 A |
|
Mode: FM (16F3) |
|
Kanalen: 22 kanalen |
|
Frequenties: met diodes te programmeren |
|
SWR: bescherming tegen te hoge SWR |
|
Spurious: 60 dB of meer onderdrukking |
De belangrijkste eigenschappen zijn (fig»):
Dit apparaat is in ons land vooral bekend als IC-240D toen het uitgerust was met zes kanalen in de beginperiode van de D-machtiging. Zodra de eigenaars een C of A status vergund werd, bood men zo'n setje veelal te koop aan. Dat is achteraf gezien misschien jammer, want het aantal kanalen is te vermeerderen.
Er moeten nog behoorlijk veel van dit type ergens in een kast, in een kelder of op zolder liggen. Snor het ding op want het is vrij eenvoudig te voorzien van ten minste 48 kanalen. Met de tegenwoordige afname aan activiteit op de 2 m band heeft men met 48 FM kanalen voldoende keus aan vrije frequenties op de toch al stille 2 m band. Heeft u al een 2 m doos, dan wordt een IC-240 uw "back up" of vakantieset.
Het originele model IC-240 voor de Europese markt was uitgerust met 22 kanalen in het 25 kHz raster. Een schakelaar aan de frontplaat was bedraad voor een 1750 Hz toon of voor het verlagen van het zendvermogen naar 1 W. Er kan 12.5 - 14.5 W uit komen als men in het midden van de band en met een voeding van 13.8 V de trimmers van het eindtrapje op maximum zendvermogen afregelt.
Onder andere door het ontbreken van een stroom slurpende display verbruikt dit setje maar 2 A, zodat een («fig) moderne geschakelde stekker voeding of computer "adapter" al voldoende is als "power supply".
He transceivertje is mechanisch maar ook qua eindtrapje behoorlijk sterk en het werd door mij vaak gebruikt om antennes te testen en af te regelen, maar ook om met VHF PA's te experimenteren. Nog steeds is het apparaat intact!
48 KANALEN, 25 kHz RASTER.
Na het op de markt brengen van een IC-240 vonden al velen dat 22 kanalen te weinig waren. Er verschenen dan ook artikelen om dat uit te breiden. Enkele ideeën waren echt interessant omdat men met weinig "breekwerk" aan meer kanalen kon komen. Eind 1982 heb ik mijn geruild setje uitgerust met 48 kanalen door het combineren van de volgende in 1981 en 1982 gepubliceerde modificaties :
G8GEF's ontwerp zorgt ervoor dat bij de repeater kanalen er automatisch geluisterd wordt op de uitgang frequentie zodat de DUP(LEX) & SIM(PLEX) schakelaar op de frontplaat in feite niet nodig is.
G4BLT's ontwerp maakt het mogelijk om alle standen van de kanaalkiezer te benutten zodat men over 24 frequenties kan beschikken.
GW4KJW's artikel gaat over het programmeren van de diode matrix met 50 kHz stappen, zodat met een extra schakelaar of schakelcontact het volgende hogere 25 kHz kanaal gekozen kan worden. Dus met DUP heeft u bij voorbeeld 145.500 en met SIM 145.525. Wanneer een repeater kanaal ingeschakeld is, wordt automatisch geluisterd op de uitgang van het relais.
|
|
|
Het door mij gekozen deel van de band 144.400 - 145.575 MHz met kanaal 22 als laagste frequentie lijkt een beetje vreemd, maar dat werd gedaan om het onthouden van de kanaalnummers enigszins te vergemakkelijken.
|
kan * = 144.500, kan 10 = 145.000 (1ste repeater) kan 20 = 145.500 (oproep).
Berekening voor bij voorbeeld 145.500 MHz. Constanten zijn: 142.4 MHz en 25 kHz (145.500 - 142.4) : 0.025 = 124 124 = (64 + 32 +16 + 8 + 4) Locatie 5 diodes voor 145.500 MHz: D6 (64), D5 (32), D4 (16), D3 (8), D2 (4) |
|
Als men tekening en foto's bestudeert, dan moet het aanbrengen van de modificaties niet al te moeilijk zijn. Let op de juiste "polariteit" van de diodes ten opzichte van de printsporen. Het herprogrammeren van kanalen door verwijderen of opnieuw aanbrengen van diodes is een delicate klus, omdat soldeeroogjes dicht tegen elkaar zitten en gaatjes kleiner dan 1 mm zijn. Het beste is om het een en ander te doen met soldeer litze. Bezit men een IC-240 waar al fabrieksmatig 22 kanalen geprogrammeerd zijn en u volgt mijn kanaal indeling, dan kunnen diodes van veel kanalen doorgeknipt worden.
Men kan T1 en T2 ook volgens de tekening hiernaast (fig») monteren.
KANAAL 23
Voor het activeren van kanaal 23 dient men een draad te trekken van soldeeroogje 23 op de print naar het vrije contact van de kanalen schakelaar.
KANAAL 24
Kanaal 24 wordt op een speciale wijze in bedrijf gebracht door een schakeling met twee PNP transistors, een 10 kOhm weerstand en een onderbroken draad. Het type transistor is niet kritisch. Onderbreek de draad van het 9 V oogje naar het sleepcontact van de schakelaar en voeg de schakeling met de transistors ertussen. Ik heb ze aan de sporenzijde met de emitters aan het 9 V oogje gesoldeerd en dat was bij mij al tientallen jaren stevig genoeg om ze op hun plaats te houden.
De weerstand (bij mij 470 kOhm) moet aan massa en daarvoor koos ik de schroef waarmee het printje vast zit. Van collector T2 gaat een draad naar de diodes voor het door u gekozen frequentie voor kanaal 24. Dat is bij mij 145.500 MHz met 3 diodes. Zij werden door mij gesoldeerd aan de soldeerpunten van de connector van de print. Let erop dat u de juiste contacten kiest die overeenkomen met D6 (64) tot en met D0 (1).
Voor 10 repeater frequenties werd op elk gaatje 10, 11, 12, 13 en 14 een diode gemonteerd. Met in totaal vijf diodes verkrijgt men 10 relais kanalen. U bent niet gebonden aan mijn keus voor een kanaal en een ander gaatje corresponderend met een stand van de kanaalschakelaar is mogelijk, zolang de diodes aan de top met elkaar verbonden worden en u de 330 Ohm weerstand niet vergeet.
De volgende verandering is nog toekomst, want het inmiddels verouderde IC MC145151 moet nog geleverd worden. Als het goed is, verwacht ik dat samen met voorgaande modificaties er dan de beschikking is over 96 kanalen in het 12.5 kHz raster.
48 OF 96 KANALEN? 12.5 KHz RASTER
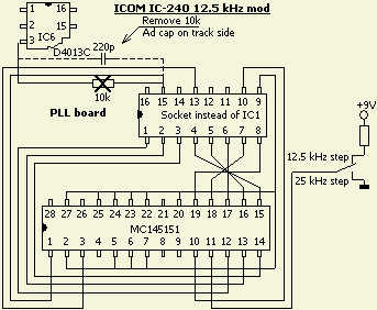
Door het vervangen van één IC is het mogelijk om een kanaal spatie van 12.5 kHz te verkrijgen. Dat kan door het deeltal achter de oscillator van het loopsysteem te veranderen. Het gaat om een gedeelte van twee IC's TC5080P (IC1) en D4013C [IC6). De helft van IC6 is een tweedeler gevolgd door een programmeerbare deler IC1 voor de even deeltallen van 64 tot 128. Om nu het 12.5 kHz raster te verkrijgen moeten er oneven deeltallen van 129 tot 287 ingesteld kunnen worden. Dat kan als de functies van beide IC's door één andere programmeerbare deler overgenomen wordt. De ontwerper koos daarvoor een inmiddels "antieke" MC145151 waarvan alléén de te programmeren deler aangewend wordt. Hij schreef: "om een al te bewerkelijke ombouw te vermijden, verwijdert u IC1 en plaatst daarvoor een 16 pens IC voetje. De 28 pens MC145151 komt op een apart printje (b.v. Vero Board) dat zodanig opgebouwd wordt dat het in het voetje gestoken kan worden".
De bedrading ziet u in het schema (fig»). Met passen en meten («fig) lijkt mij een directe montage aan de sporenzijde ook mogelijk. Men kan ook aan de componentenzijde 12 soldeer pennen in de vrijgekomen plaats monteren en alles via draden met het PLL board verbinden. Het voetje heeft het voordeel dat eventueel de originele schakeling vlot hersteld kan worden door IC1 terug te plaatsen.
Een («fig) eventuele 10 kOhm weerstand van IC6 pen 1 naar IC1 pen 15 moet u verwijderen. Daarvoor in de plaats komt aan de sporenzijde een 220 pF condensator van het voetje (ex IC1) pen 15 naar IC6 (D4013C) pen 3.
Met pen 11 van MC145151 kan men naar believen kiezen voor het 12.5 kHz of 25 kHz raster. Daartoe wordt een draad gesoldeerd naar het middencontact van een schakelaar zodat er naar een hoge spanning (12.5 kHz) of massa (25 kHz) geschakeld kan worden voor respectievelijk oneven of even deeltallen. Na deze bewerkingen hoeft er niets meer veranderd te worden want u heeft nu een keuze uit 44 kanalen. Na het aanbrengen van alle veranderingen verwacht ik dat er in totaal 96 kanalen ter beschikking komen, maar dat moet nog blijken na een daadwerkelijke montage van een MC145151.
![]()