Een kleine AM zender voor meerdere
banden
Onderaan de pagina de laatste
update
Deze zender is bedoeld voor zowel de MG als voor
verschillende KG banden .
Er wordt gebruik gemaakt van Low Level modulatie
in de voorlaatste trap waarbij de PA als Lineaire Class A versterker is
geschakeld
Dit heeft als voordeel dat er geen dikke modulator nodig is en
ook kan worden afgezien van een modulatie trafo .
Natuurlijk heeft het ook zo
zijn nadelen , hoewel je toch al gauw zo'n 35 - 50 watt uit een 807 kunt halen
haal je in deze instelling iets van 8 - 10 watt.
Maar wel met weinig
problemen en een mooie modulatie . Tenminste als je er voor zorgt dat je de buis
niet gaat oversturen , hij moet echt in het rechte deel van de rooster
karakteristiek blijven werken . Er wordt gebruik gemaakt van de volgende buizen
:
6AU6 als Oscilator , een tweede 6AU6 als buffer , hierachter de
gemoduleerde driver , Hiervoor heb ik een EL95 genomen welke in de Kathode
wordt gemoduleerd door een EL 84 . Voordeel van deze schakeling is dat er vrij
eenvoudig 100 % modulatie diepte kan worden verkregen bij 1, 5 - 2 watt output .
Ruim voldoende om de 807 mooi open te sturen .
Verder wordt er nog een ECC 83
gebruikt als Audio voorversterker en een EAA91 als detector , deze wordt
gebruikt om de een klein deel van de RF uitgangs spanning te detecteren en het
zo teruggewonnen audio signaal te gebruiken als tegenkoppeling in de modulator .
Hierdoor wordt nog een aanmerkelijke verbetering van de modulatie kwaliteit
verkregen terwijl er ook niet zo snel overmodultie optreed . Verder wordt de
diode stroom gebruikt voor de uA meter welke als output meter wordt
gebruikt.
Natuurlijk wil ik je niet vastpinnen aan deze buizen bezetting ,
I.p.v. de 6AU6 mag je ook een EF 95 , een 6AK6 , of een EF80 gebruiken , voor de
EL 95 mag er ook een vergelijkbare buis worden genomen of zelfs een EL 84 . Voor
de 807 eventueel een Qe06/50 of een 6TP of 6L6 , zelfs met een EL500 zou het
moeten willen . Inplaats van de EAA91 kun je ook twee germanium diodes nemen ,
hoewel je die wel gemakkelijk opblaast bij een antenne misaanpassing. Als
Voeding heb ik een Trafo gebruikt uit een Philips BiAmpli radio deze is ongeveer
80 - 100 mA en levert 270 Volt aan de elko . De spanning wordt gelijkgericht met
een EZ80 Deze spanning is voor alle voortrappen , ik heb een aparte diode
gelijkrichter gebruikt met twee elko's voor de anode spanning van de 807 , hier
staat door de lagere inwendige weerstand van de diode's iets van 320 Volt
De
oscilator spoelen zijn gewikkeld op een 10,7 M/c FM IF trafo ook al weer uit
dezelfde radio . Een wikkeling hiervan heb ik afgewikkeld en vervangen door een
75 wind dun litze draad met een aftakking op 25 wind van onder . Deze spoel is
met een afstem condensator van 500 Pf af te stemmen van 1,8 tot 4 M/c .
Door het bijschakelen van een zilver/mica condensator loopt de afstemming van
1200 - 1900 Kc en door het parallel schakelen van de tweede orginele spoel over
de spoel van 75 w. verkreeg ik een afstembereik van 4 - 10 Mc waarbij moet
worden opgemerkt dat boven de 8 Mc de stabiliteit snel minder wordt . Op 6,3 Mc
echter bleef de VFO binnen 200 Hertz stabiel en op MG zelfs binnen de 30
Hertz
De voedingsspanning van de Oscilator is afgezenerd op 110 Volt met een
1 Watt zener diode en er worden relatief grote weerstanden gebruikt in het
oscilator deel om de opwarming minimaal te houden . Verder is het natuurlijk
zaak het hele oscilator deel goed af te schermen van de rest van de zender , om
gloeidraadbrom te voorkomen wordt de gloeispanning van de oscilatorbuis
gelijkgericht en afgevlakt met een elko van 1500 uF .
Vervolg:
Na een kleine aanpassing van de voeding bedraagt de
output nu rond de 12 watt op 6300 Kc , ik heb hiervoor een twee fasen
spanningsverdubbelaar gemaakt
met een aantal Elko's van 30 Uf 450 volt
en een viertal 1N4007 diode's .De spanning op de anode bedraagt nu ongeveer 550
Volt , wel is het nodig de Kathode weerstand van de 807 te vergroten van 120
naar 220 Ohm , ook heb ik de spanning van de buffer iets hoger gemaakt door de
voedings ontkoppelingsweerstand te verkleinen
Let bij de elko's er op dat de
eerste tak bestaat uit bipolaire elko's Deze staan dus "kop aan kop
" terwijl de laatste tak wel gewoon in serie staan .
Voor een goede lineaire
werking blijkt er een wat hogere schermrooster spanning nodig te zijn , via een
12 K weerstand wordt het schermrooster ook gevoed uit de 550
volt
hiervoor is het wel nodig het stuurrooster van een vast negatief
te voorzien , de instelling wordt dus van class A iets meer richting class AB
verschoven
Hiervoor wordt de 6,3 gloeispanning gelijkgericht in
een verdubbelaar met twee condensatoren en twee 1000 uF elko's we komen dan op
een negative spanning van ongeveer 14 volt
dit mag eigelijk nog wel
iets hoger , maar samen met de spanningsval over de 220 Ohm kathode weerstand is
dit toch net voldoende om de buis tam te houden , zonder deze extra spanning
gaan anode en schermrooster echt rood staan bij verminderde sturing en class A
instelling . In deze instelling is het nu goed mogelijk de gewenste 12 - 15 watt
output te halen bij een mooie modulatie met de interne modulator , er wordt dan
bijna 17 watt gehaald in de modulatie pieken . Ga je te veel moduleren loopt de
output weer terug
Bij het verhogen van de sturing d.m.v.
het verstemmen van de driver wordt het negatief nog verhoogd en loopt de
instelling geheel naar class B en zelfs naak Class C
Low power
modulatie is dan niet meer mogelijk maar er komt wel ruim 35 watt RF uit de
zender , wil je de zender in deze instelling gebruiken zul je dus extern moeten
moduleren in de anode spanning , het moet dan goed mogelijk zijn toch 40 - 50
watt in de pieken te halen , maar dat is eigelijk niet de intentie van deze
zender . Kortstondig kan het wel maar de voeding is er niet op
berekend.
Later wil ik nog een varicap schakeling aanbrengen welke de VFO kan
locken op een PLL ontvangertje zodat deze mooi strak op de frequentie blijft
staan maar voor MG en 76 Mtr bedrijf is de stabiliteit al ruimschoots voldoende
. Naarmate de bouw vordert zal ik steeds wat foto's plaatsen en natuurlijk ook
het schema .
Onderaan de pagina wat details over het maken van de oscilator
spoel
Op Foto 1 een overzicht oals de zender er op dit moment
uitziet
Op foto 2 een oscilogram van het 1600Kc RF signaal 100 %
gemoduleerd met een 400 Hert toon
Foto 3 is een detail opname van het VFO
gedeelte
Foto 4 het Anode gedeelte van de 807 PA , een kleine 500 pf
afstemcondensator en een oude MF spoel als anode smoorspoel 



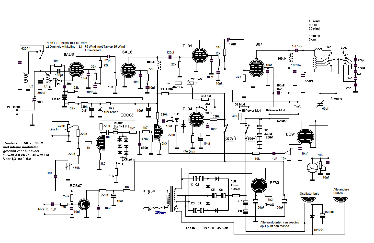
Hier het schema (
under construction)
Deze wordt regelmatig vernieuwd dus hou het in de gaten
, iedere dag komt er wel een stukje bij tot het helemaal compleet is
Deze
kun je met de rechter muistoets downloaden om hem helemaal te
bekijken
De Oscilator spoel
Ik heb hier gebruik gemaakt van een oude philips MF trafo uit een BiAmpli
. we gebruiken hiervoor een van de 10,7 M/c FM trafos .Je komt er een aantal
tegen .
Meestal twee met koperen stelschroeven welke er bovenuit steken , dit
zijn de 455 K/c spoelen en drie spoelen met een kern welke in de spoel zit , dit
zijn de 10,7 trafo's .
Pas op , meestal zitten de kernen zo vast dat iedere
poging ze iets te verdraaien eindigt in een mislukking , of de kern knapt of de
hele spoelvorm compleet met wikkeling draait mee
waardoor de aansluitingen
los knappen , het beste kun je de hele trafo voorzichtig warm stoken tot de
teerachtige smurrie begint te smelten . Je kunt dan de kerntjes er gemakkelijk
uitdraaien .
Laat de trafo weer afkoelen , maak de spiraalschroef van de kern
goed schoon en draai hem weer terug in de spoelvorm .
De behuizing is aan
twee zijden onder iets ingedrukt als je dat voorzichtig rechtbuigt kun je
de hele trafo uit de behuizing halen .Je ziet nu twee spoelen , een van de twee
wikkelen we af en op de vrijgekomen vorm wikkel je nut 75 windingen dun litze
draad wat je uit een andere spoel , ferriet antenne o.i.d. haalt . maak eerst 25
windingen lus de draad nu naar buiten voor de kathode aftakking en dan de
resterende 50 windingen , je kunt de wikkelingen vastzetten met wat kaarse vet
Je hebt voor deze nieuwe spoel 3 aansluitingen nodig , haal van een van de
andere trafos een lipje en druk deze op een van de vrije plaatsen , dit is het
steunpunt voor de aftakking .
Bij de aansluitingen zitten ook aan beide
zijden een kleine keramische condensator , knip hiervan een aansluiting los maar
laat de condensator maar zitten , hij zit niet in de weg en het verwijderen
vergt nogal wat Brute Force met de kans dat de pootjes losraken
Warmstoken Condensatoren losknippen en de nieuwe spoel wikkelen






De
Aansluitigen
De 550 Volt
verdubbelaar
De 2 kleine Driver spoelen voor low en high band
Het Eind resultaat
Hier de afgebouwde zender
De modulatie is wat veranderd i.p.v. de 807
als lineaire versterker te gebruiken heb ik er later toch voor gekozen de
de
interne modulator als Schermrooster modulator uit te voeren omdat er dan toch
iets meer vermogen te behalen is .
In het oorspronkelijke ontwerp met serie
modulatie op de driver lukte het me niet om meer dan 6 watt output te halen bij
een onvervormde modulatie
Met schermrooster modulatie haal ik toch iets van
12 watt output op alle banden , Met de 10 K 3 watt potmeter kan de schermrooster
spanning worden ingesteld waardoor de output regelbaar is van 3 tot 12 watt ,
geheel opgedraaid loopt het vermogen op tot ruim 30 watt maar dan funktioneert
de interne modulatie niet meer
Om toch ook met dit volle vermogen te kunnen
werken heb ik de zender voorzien van een externe modulator voor Plate Screengrid
modulatie .
Een Buizen stereoversterker met 4 x EL84 wordt gebruikt als
modulator , met de beide uitgangen parallel geschakeld is deze ruimschoots in
staat het benodigde
audio vermogen te leveren voor voldoende modulatie
diepte . Een oude voedingstrafo van 220 volt op 2 x 9 Volt 2 Amp wordt hier als
modulatie trafo gebruikt
Maar het is nog de bedoeling een speciale trafo te
wikkelen voor 4 x EL84 in en een directe hoogohmige uitgang voor directe
modulatie van de zender.
In de avonduren heb ik de zender , voorzien van PLL
sturing al een paar keer op 3 watt vermogen getest op 1566 Kc met de
interne modulator
Dit werkt erg goed , voor gebruik op de Extended AM
BAnd boven de 1620 zet ik de externe modulator in om lekker "mee te kunnen
blazen" met de grote jongens

De Modulator met 4 x EL84 en 2 x ECC83
Dit is geen balans versterker , aan beide zijden
worden er 2 stuks EL 84 in parallel bedrijf gebruikt i.v.m. het ontbreken van
balans trafos
De gebruikte enkele EL84 trafo's zijn wel van respectabele
afmetingen en hebben dan ook een lekkere laag weergave
De bedoeling is nog
wel om hier een balans schakeling te gaan gebruiken na het wikkelen van een
geschikte trafo
Links naast de versterker is nog net een stukje van de
voedings trafo te zien welke tijdelijk als modulatie trafo wordt gebruikt
.
Als ik het schema geheel bijgewerkt heb zal ik het hier publiceren , zowel de zender als de modulator
UPDATE
We hebben de zender inmiddels
omschakelbaar gemaakt voor AM en NbFM , d.m.v. een BB112 varicap in de
VFO
Gelijk met het omschakelen wordt ook de schermroosterspanning van
de 807 verhoogt zodat deze ruim 25 watt kan leveren
in de stand AM bedraagt
de output ongeveer 8 - 14 watt
Ook is het lowpass filter in de
modulator vervallen , daarvoor in de plaats is een hardclipper gekomen met 6
diodes
Behalve een ( klein) nadeel heeft NbFM duidelijke voordelen
.
Doordat we de einttrap nu niet meer wordt lastiggevallen door amplitude
verschillen kan deze op de tenen worden gezet zonder audio vervorming waardoor
er veel meer vermogen kan worden opgewekt
Ook hoeft er nu geen vermogen
meer worden opgestookt in de modulator , Door het ontbreken van amplitude
verschillen in het HF signaal heb je ook geen problemen met laagfrequent
inspraak in audio systemen in de omgeving waardoor de storingskans flink
afneemt.
Op een "gewone"AM ontvanger zit de modulatie nu natuurlijk "naast"de
draaggolf maar op de flank afgestemd klinkt de modulatie toch erg goed ,
tenminste als je de frequentie zwaai binnen de perken houd, Voordeel is weer dat
een NbFM signaal onder slechte omstandigheden vaak nog goed te beluisteren is in
de stand SSB onder signaalsterktes dat een gewoon AM signaal allang totaal in de
ruis is verdwenen.
Verder is de Tankkring aangepast en kan nu d.m.v. een
tweetal 6 standen schakelaars worden omgeschakeld naar de verschillende
frequentiebanden en antenne impedantie's
Op het schema op deze pagina zijn
de aanpassingen inmiddels ingetekend