Echte radio's hebben lampen. |
We gaan nu eens iets heel anders doen , we hebben inmiddels al zoveel zenders gebouwd dat we nu wel zullen weten hoe dat moet. Daarom nu in plaats van een zender maar eens een ontvanger bouwen.
Vroeger
bouwden we veel radio's , je moest wel als je muziek wilde hebben
, radio's waren in die dagen grote houten kasten en ze waren duur
, erg duur
Het was nog maar kort na de oorlog en er was overal nog gebrek
aan dus ook aan radio's . Als je een radio wilde kopen moest je
soms weken wachten
dus een tweede toestel voor de tienerkamer zat er al
helemaal niet in. Nee die moest je zelf maken.
Gelukkig hadden we Leonard de Vries , deze auteur heeft toen hij
tijdens de oorlog zat ondergedoken het Jongens Radio Boek
geschreven waarvan ik hier de kaft als achtergrond heb
gebruikt
Voor ons schoolgaande jeugd was dat zo ongeveer "De Radio
Bijbel " . In duidelijke en vooral begrijpelijke taal bracht
hij ons de kennis bij die je nodig had om een radio te bouwen en
niet alleen dat , ook spelenderwijs leerde hij je zoveel over de
theorie dat je ook begreep waar je mee bezig was en hoe het
werkte . Hele volksstammen radio en zendamateurs zijn hun
loopbaan begonnen met de ontwerpen uit dit boek. van
kristalontvanger tot 1 , 2 en 3 lamps radio toestellen voor
batterij en lichtnet , plaatstroomapparaten , geluidsversterkers
duidelijk beschreven met schema's en tekeningen . En tussendoor
nam hij je mee naar studio's , zendergebouwen , Radiofabrieken en
de net uit het ei gekropen televisie .



Nu zijn we ruim een halve eeuw verder en het hart van een radio is tegenwoordig een onduidelijk zwart plakje met wat pootjes zo dicht bij elkaar dat je er je er nog nauwelijks aan kunt solderen. Toch blijft het leuk om zoiets eens zelf te bouwen , niet met zwarte plakjes maar gewoon zoals we dat vroeger deden ,met lampen , spoelen , afstemcondensatoren en trafo's . Het ouderwetse degelijke handwerk.
Wil je nog
verder teug naar de "Basics"en eerst een
kristalontvanger bouwen raad ik je aan de volgende website eens
te bezoeken :
http://www.crystal-radio.eu/index.html
De webmaster van
deze site heeft het bouwen van kristalontvangers werkelijk tot
een hogere kunstvorm verheven
Ook wordt er heel veel informatie gegeven over afstemkringen ,
spoelen wikkelen en berekenen en elektrische verliezen in
afstemkringen
Deze website is een absolute aanrader voor radio en zendamateurs
Wil je meer lezen over radio ontvangers en buizen in het speciaal
is de volgende website een absolute must :
http://www.jogis-roehrenbude.de/
Jochem heeft hier een fantastische hoeveelheid schema's , verhalen , foto's en beschrijvingen samengebracht die allemaal betrekking hebben op buizen,
De 0V1 , 1 afgestemde kring , 1 buis , maar met twee funktie's
De eerste
ontvanger die ik hier wil bespreken is een eenlamps eenkringer ,
een ontvanger met 1 afgestemde kring en slechts 1 buis .
Nou ja 1 buis . in de tijd van Leonard de Vries was dit eigelijk
een tweelamps toestel . De eerste buis was de eigelijke detector
en de tweede was de luidspreker versterker buis , wij maken
echter gebruik van een dubbelbuis de PCF 80 een triode en
een penthode samen in 1 ballon . dus is het toch weer een
eenlamps toestel geworden waarbij deze ene buis dus twee funktie's
vervuld.
Omdat de PCF 80 een behoorlijk zuinige buis is welke geen grote voedingstrafo nodig heeft hebben we hier voor de voeding gebruik gemaakt van een paar oude 12 volts adapters zoals deze voor halogeen lampen worden gebruikt , deze zijn in staat bijna 2 ampere te leveren wat ruim voldoende is voor deze radio . de eerste adapter laten we heel , de tweede slopen we uit de behuizing , deze gaan we gebruiken op in onze radio de hoogspanning op te wekken , met de 12 volts wikkeling aangesloten op de 12 volt van de eerste adapter hebben we nu een 220 volts spanning tot onze beschikking welke netjes van het lichtnet gescheiden is . De gloeidraad van de PCF 80 heeft 9 volt nodig bij 0,3 ampere , deze sluiten we dus in serie met een 3 volts 0,3 A lampje ook aan op de 12 volt.
We hebben nu een
heel mooi klein voedingsdeel waardoor de hele radio in een
behoorlijk klein kastje past . Het penthode deel van de PCF 80 is
in staat om ongeveer 1,5 watt audio te leveren , voldoende voor
een krachtige weergave op een kleine luidspreker.
Het triode deel staat hier geschakeld als teruggekoppelde
roosterstroom detector waarbij de terugkoppeling wordt
gecontroleerd met de 100 K potmeter waarmee de andode spanning
wordt ingesteld . Zet deze potmeter ongeveer half in en draai
daarna de 60 pf trimmer zover in dat de schakeling begint te
oscileren , hierna kun je met de potmeter de schakeling steeds op
het randje van genereren zetten . Op dit punt heeft de ontvanger
de hoogste gevoeligheid en beste selectiviteit . Door de
schakeling et in het oscileren in te stellen kun je er ook CW en
SSB signalen mee opnemen.
De opgegeven spoelwaarden zijn bedoeld voor de middengolf maar door minder windingen te nemen kun je ook een groot deel van de korte golf ontvangen , bij ongeveer 30 wind en 12 windingen is er zelfs de 48 mtr en de 40 mtr band mee te ontvangen
Bekijk en beluister deze ontvanger op YouTube :
http://nl.youtube.com/watch?v=sE8ykTJCH6A
De 1V1 ontvanger , twee kringen , 2 buizen maar met 3 funktie's
Je kunt deze ontvanger ook uitbreiden tot een twee krings 1V1 ontvanger met een extra hoogfrequent voorversterker en extra afstem kring .
Hiervoor heb je een dubbele afstemcondensator nodig dus een 2 x 500 pf type , Dit type ontvanger is iets moeilijker te bouwen maar de resultaten zijn erg goed , vaak even goed of zelfs beter dan van menige communicatie ontvanger .Er moet wel enige aandacht worden besteed aan de goede afregeling , de beide afstemkringen moeten precies synchroon lopen , vandaar de toepassing van twee trimmers van 20 pf .
De afregeling gaat als volgt :
Zoek een station op met bijna ingedraaide afstem condensator ,
regel nu de ferrietkernen van de twee spoeltjes af op maximale
ontvangst ,
zoek daarna een station met bijna geheel uitgedraaide afstem
condensator , regel nu af op maximale ontvangst met de twee
trimmers van 20 pf
Ga nu weer terug naar het station aan de lage kant , dus met
ingedraaide condensator en probeer nu de kernen nog iets
bij te regelen
Doe ditzelfde nu nogmaals aan de hoge kant met de twee trimmers .
Herthaal deze handelingen een aantal malen tot er geen
verbetering meer te verkrijgen is , dan is de ontvanger optimaal
afgeregeld en zul je er versteld van staan wat er met een
dergelijke eenvoudige ontvanger allemaal te ontvangen is.
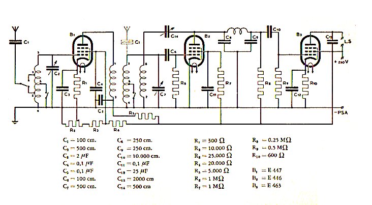
De 1V2 Ontvanger , 2
kringen 3 buizen , 4 funkties , een top klasse
rechtuit ontvanger
Hieronder nog een tweede schema van een 3 lamps 1V2 toestel waarbij er gebruik wordt gemaakt van twee penthodes en een ECL 82 , een krachtige eindbuis welke ook in staat is grote luidsprekers aan te sturen met een uitgangs vermogen van 4 - 6 watt voldoende om het toestel als huiskamer radio te gebruiken met een stevige huiskamer weergave van vele tientallen MG stations niet alleen s'avonds maar ook overdag heb je met een dergelijk toestel een excellente ontvangst .


Op deze Foto is de voorkant te zien van deze radio , voorzien van een spoelenset voor meerdere golf bereiken en een afstemoog