Dit is weer een lekker probleem loos AM zendertje voor lokaal gebruik
Ik heb deze oorspronkelijk ontworpen voor gebruik op een 9 volts
batterij waarbij de output ergens tussen de 20 en 50 mWatt kwam
te liggen
Maar door een extra eindtransistor toe te passen en een extra
drivertrap loopt de output aanmerkelijk op , wel was het nodig nu
ook de modulator
wat zwaarder te bemeten . Ik heb hier gebruik gemaakt van twee
darlington transistoren van het type BC 617
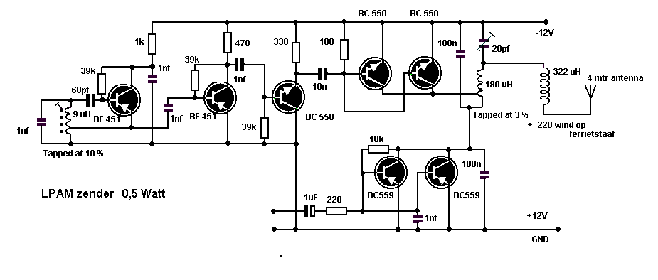
De oscilator is vrij standaard , er wordt gebruik gemaakt van een
regelbaar spoeltje van 9 uH afgestemd met een 1000 pf condensator
deze spoel is vrij los gekoppeld met de oscilator transistor ,
reden waarom hier een tog met hoge versterking wordt gebruikt
Er is hier een BF 451 gebruikt een tor ontworpen als eerste IF
transistor in FM ontvangers .
Als driver wordt er een BF 423 gebruikt , gevolgd door een tweede
BF423 welke geschakeld is als emittor volger zodat er ruim
voldoende stroom
kan worden geleverd om de volgende 3 transistoren geheel open te
sturen in klasse C . De collector stroom van deze 3 transistoren
mag 300 mA bedragen
en met de gebruikte driver kan deze probleemloos worden gehaald.
Deze stroom is ook afhankelijk van de gebruikte aftakking van de
antenne spoel , deze 180 uH spoel heb ik op ongeveer 3 % moeten
aftappen om deze stroom
te halen , bij een lagere tap loopt de stroom zeolfs op tot 500
mA maar dat is een beetje te veel van het goede , heb je de tap
te hoog liggen wil de stroom
meestal niet hoger worden dan 80 - 100 mA en dus een veel lagere
output . Deze spoel wordt op de zendfrequentie afgestemd met de
parallel capaciteit welke bestaat uit een 20 pf trimmer + de
antenne capaciteit .
We gaan de schakeling nu even doorrekenen :
Voedings spanning 12 Volt , spanning op de eindtrap 1/2 Vcc = 6
volt . Stroom door de eindtrap 300 mA
DC input bedraagt nu 1,8 watt , de collector impedantie bedraagt
hier 12 ohm , in Class C kan hier nu ongeveer 1,44 watt worden
geleverd
Het vermogens verlies is nu minder dan 400 mWatt / 3 transistoren
wat neerkomt op iets van 125 mWatt per transistor . De maximale
dissipatie van een BC 550 bedraagt 500 mWatt en we blijven dus
ruim binnen de limit .
De voedings spanning wordt gemoduleerd door twee
darlinton transistoren van het type BC617
De 4 mtr lange antenne wordt electrisch verlengt mat de 322 uH
loading spoel waardoor deze ongeveer op de werkfrequentie in
resonantie is
Indien de antenne redelijk vrij opgehangen is kan de reikwijdte 3
tot 4 kilometer bedragen.
