Mirror website: https://www.hulpnodigmet.nl/pa0fri/

PA0FRI: De Eeuwige Bouwer

Frits Geerligs, bekend onder zijn roepletters PA0FRI, was een legendarisch persoon in de Nederlandse zendamateurwereld. Van zijn QTH in Etten-Leur deelde hij een schat aan kennis en inspiratie, voornamelijk via zijn zeer uitgebreide website, een ware schatkamer voor de zelfbouwer.

Frits was de belichaming van de radioamateur-geest: nieuwsgierig, vindingrijk en onvermoeibaar in het experimenteren. Hij ontwierp en bouwde talloze schakelingen, tuners en antennes, zoals de veelgeprezen **PA0FRI Speech Processor** en de **FRI-match tuner**, die in bouwkits en projecten over de hele wereld hun weg vonden. Zijn ontwerpen waren niet alleen technisch degelijk, maar ook praktisch en vaak slim in hun eenvoud.

Zijn website was zijn magnum opus, een levenswerk vol met gedetailleerde schema's, duidelijke uitleg en grondige technische beredeneringen. Het was zijn manier om de passie voor zelfbouw en techniek door te geven aan beginners én gevorderde amateurs. Het was dan ook geen verrassing dat hij in 2009 werd uitgeroepen tot 'Amateur van het Jaar'.

Na zijn overlijden in oktober 2024 lieten vele zendamateurs weten hoezeer zij Frits en zijn helpende hand bij technische uitdagingen zouden missen. Door zijn website te kopiëren en te behouden, zorg je ervoor dat zijn immense nalatenschap - al die bouwtekeningen, diepe inzichten en bouwinspiratie - niet verloren gaat, maar beschikbaar blijft voor toekomstige generaties van radioamateurs. Frits, de 'eeuwige bouwer', leeft voort in elk project dat nog met zijn ideeën wordt gerealiseerd.

Deze mirror pagina heeft geen enkel commercieel doel. R.I.P. PA0FRI.


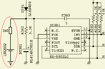
Extra rechargeable clock battery for IC-7300/7100 Click on image 

  
  Active loop receiving antenna.
Click on image

     
PA0FRI's HOME BREW AMATEUR RADIO 

ANT

ATU

MISC

MODS

QRO

 1

 2

 3

 

 

Doelgroep

PS

Information

PAØFRI

CQ serenade (MP3)

Biography Eng

BiografieNL

Veteran

Homepage since 8 nov 2003
PAØFRI, Frits (F.H.V. Geerligs)
  AMATEUR OF THE YEAR 2009,
QTH: Etten-Leur, the Netherlands.

My previous full A-class license (Morsecode included) is converted to full F-class = CEPT T/R 61-01.


The content of articles assumes that you has the necessary technical knowledge of a licensed radio amateur.


Have something repaired, modified or aligned? Contact PAØLMD  www.hamradioservice.nl